适用年级:{{getGradeNameByProperty('初三|中考模拟|湖北|2016年')}} 试卷类型:{{getTestPaperTypeName('初三|中考模拟|湖北|2016年')}} 使用省份:{{getAreaName('初三|中考模拟|湖北|2016年')}}
试卷年份:{{getYear('初三|中考模拟|湖北|2016年')}}上传日期:2016-04-05题数:21
提示:单击题文可显示答案与解析。
题号:1293896
题型:选择题
难易度:较易
日期:2016-04-05
来源:2016届湖北省黄冈市麻城市中考模拟物理卷(带解析)
【题文】如图所示,先用绳子把一个铁锁悬挂起来,然后把铁锁拿近自己的鼻子,稳定后松手,头不动,铁锁向前摆去又摆回来,直到最后停下.下列说法正确的是( )

| A.铁锁摆回后能碰到鼻子 |
| B.铁锁下降过程中,重力势能全部转化为动能 |
| C.铁锁的机械能始终不变 |
| D.铁锁第一次摆动到最低点时,动能最大 |
题号:1294016
题型:选择题
难易度:一般
日期:2016-04-05
来源:2016届湖北省黄冈市麻城市中考模拟物理卷(带解析)
【题文】有两个电路元件A和B,流过元件的电流与其两端电压的关系如图(甲)所示。把它们串联在电路中,如图(乙)所示。闭合开关S,这时电流表的示数为0.2A,则电源电压和元件B的电功率分别是( )

| A.2.0V 0.8 W |
| B.4.5V 0.5 W |
| C.2.5V 1.0W |
| D.4.5V 1.0W |
题号:1294017
题型:选择题
难易度:一般
日期:2016-04-05
来源:2016届湖北省黄冈市麻城市中考模拟物理卷(带解析)
【题文】如图所示,在与打火机出气孔相连的导气管外部中央滴了一滴水,然后打开打火机气阀,点燃末端排出的气体,导气管外的水滴迅速变成了冰粒.关于该装置发生的现象,说法错误的是()

| A.导气管外的水滴变成冰粒,是熔化现象 |
| B.气阀打开后,液态的丁烷汽化并吸热 |
| C.导气管末端的丁烷气体燃烧时,化学能转化为内能 |
| D.打火机中的丁烷是通过压缩体积的方法使它液化的 |
题号:1294018
题型:选择题
难易度:一般
日期:2016-04-05
来源:2016届湖北省黄冈市麻城市中考模拟物理卷(带解析)
【题文】如图是楼房顶上常见的导气管,它的作用是将每家住户洗手间下水道中的污浊气体排出.下列关于导气管的描述最合理的是( )

| A.导气管利用浮力将密度小于空气的污浊气体导出 |
| B.导气管利用流速和压强的关系,在楼底管道产生低气压 |
| C.在有风的天气里导气管排气效果会变差 |
| D.导气管利用流体中流速大的地方压强小的原理,将污浊气体排出 |
题号:1294019
题型:选择题
难易度:一般
日期:2016-04-05
来源:2016届湖北省黄冈市麻城市中考模拟物理卷(带解析)
【题文】由于不遵守交通法规酿成的交通事故频繁发生,国家加大了对违反交通法规的处罚力度.关于汽车安全行驶的规定和措施,下列说法正确的是( )
| A.限制汽车最大行驶速度,是为了减小汽车的惯性 |
| B.安全带主要是在汽车突然启动时对驾乘人员起到保护作用 |
| C.冬天汽车在冰雪路面上行驶时,轮胎上装防滑链,是为了减小摩擦 |
| D.严禁酒后驾车.主要是因为饮酒后驾驶员反应迟钝,更容易出现交通事故 |
题号:1294020
题型:选择题
难易度:一般
日期:2016-04-05
来源:2016届湖北省黄冈市麻城市中考模拟物理卷(带解析)
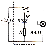
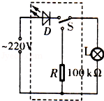
【题文】小明学习了电路知识后,想利甩发光二极管设计一个带开关指示灯的照明电路,晚间关闭照明灯后,利用二极管发出的光指示开关所在的位置.他共设计了4个电路.如图所示,其中L为白炽灯,规格为(220V 60W)、D为发光二级管,规格为(1.2V 0.01A)、S为单刀双掷开关、R为限流电阻.图中能够满足要求的电路是( )
A.

B.

C.

D.

题号:1294021
题型:选择题
难易度:较易
日期:2016-04-05
来源:2016届湖北省黄冈市麻城市中考模拟物理卷(带解析)
【题文】以下有关家庭电路和安全用电的说法正确的是( )
| A.家庭电路中的插座与用电器是串联的 |
| B.有金属外壳的用电器应使用三孔插座 |
| C.为了安全,保险丝应尽可能较粗 |
| D.发生触电事故,应先将人拉开 |
题号:1294022
题型:选择题
难易度:较易
日期:2016-04-05
来源:2016届湖北省黄冈市麻城市中考模拟物理卷(带解析)
【题文】如图所示,平静的湖面上空,一只鸟正冲向水面捕食.问:鸟向下俯冲的过程中,它在湖水中的像是( )

| A.实像,像逐渐变大 | B.虚像,像逐渐变大 |
| C.虚像,像大小不变 | D.实像,像大小不变 |
题号:3669709
题型:选择题
难易度:较易
日期:2016-04-06
来源:2016届湖北省黄冈市麻城市中考模拟物理卷(带解析)
【题文】伦敦奥运会期间英国军方将配备一种远程声波安保设备,该设备工作时可以产生高达150分贝的声音,尖锐的声响会让人耳感到刺痛,既可用作高音喇叭,也可用作非致命性武器驱散人群.关于该设备,下面说法正确的是( )
| A.该设备产生的是超声波 |
| B.该设备产生的是次声波 |
| C.“150分贝”是指所产生声音的响度 |
| D.“150分贝”是指所产生声音的音调 |
题号:1293887
题型:实验题
难易度:一般
日期:2016-04-05
来源:2016届湖北省黄冈市麻城市中考模拟物理卷(带解析)
【题文】在“测量小灯泡电功率”的实验中,小灯泡的额定电压为2.5V.

(1)连接电路时,开关应
.
(2)图甲是小刚所接的实验电路,其中有一根导线连接错误,请你在错误的导线上打“×”,并用笔画线代替导线画出正确的接法.
(3)故障排除后,小刚进行了实验,根据测出的数据,画出了小灯泡电流、电压变化的关系图象,如图乙所示,由图象可知小灯泡的额定功率为
W.
(4)分析图象还可以发现,小灯泡灯丝的电阻随电流的增大逐渐
,原因是
.
题号:1293888
题型:实验题
难易度:一般
日期:2016-04-05
来源:2016届湖北省黄冈市麻城市中考模拟物理卷(带解析)
【题文】在“探究改变滑动摩擦力大小的方法”实验中,小明同学选用了一块带钩的长方体木块(重为G、各个表面粗糙程度一样)、质量相等的几个钩码、弹簧测力计一只.请补全下列步骤中的相应内容:
(1)小明把长方体木块平放在水平桌面上,为了测出滑动摩擦力的大小,他用弹簧测力计水平 拉动木块运动,记下此时弹簧测力计的示数为F1,则滑动摩擦力的大小等于 ;
(2)接着,他在木块上先后增加二个和四个钩码,重复步骤(1),分别读出对应的弹簧测力计示数为F2和F3,发现F3>F2>F1,这说明 ;
(3)取下钩码,他又把该木块侧放在水平桌面上,按步骤(1)的方法再次读出弹簧测力计的示数,他这样操作是为了研究 .
题号:1293892
题型:实验题
难易度:一般
日期:2016-04-05
来源:2016届湖北省黄冈市麻城市中考模拟物理卷(带解析)
【题文】小柯做了如图所示的“魔力转椅”实验.他坐在普通转椅上用力扇扇子,椅子不转;在普通转椅的立柱和底座金属筒之间装上滚动轴承和钢珠后,用力扇扇子,“魔力转椅”随即转动.“魔力转椅”是采用
的方法减小摩擦力的;扇子能扇转“魔力转椅”是利用了
原理;转椅的软座垫比硬座垫坐着舒服,是因
.

题号:3669710
题型:实验题
难易度:一般
日期:2016-04-06
来源:2016届湖北省黄冈市麻城市中考模拟物理卷(带解析)
【题文】教室的窗玻璃是双层的.课间,同学在窗外敲玻璃时,小明感觉双层玻璃与单层玻璃的振动情况不一样.于是他想探究“受敲击时,双层玻璃和单层玻璃的振动强弱情况”.为此,小明进行了以下实验:
①将单层玻璃板固定在有一定倾角的斜面上,把玻璃球靠在玻璃板的右侧,把橡胶球悬挂在支架上靠在玻璃板的左侧(如图).
②随意拉开橡胶球,放手后让其敲击玻璃板,玻璃球被弹开,记下玻璃球被弹出的距离.共做10次.
③换成双层玻璃板重复上述实验.
(1)实验后,发现玻璃球被弹开距离的数据比较杂乱,这与实验中的哪一操作不当有关?
.
小明改进后,重做了实验,获得了如下数据:
实验次数
|
| 1
| 2
| 3
| 4
| 5
| 6
| 7
| 8
| 9
| 10
| 平均值
|
玻璃球被弹开的距离(cm)
| 单层
| 79
| 78
| 82
| 80
| 73
| 84
| 84
| 82
| 81
| 80
| 80
|
| 双层
| 20
| 23
| 24
| 24
| 24
| 25
| 22
| 22
| 21
| 25
| 23
|
(2)受到橡胶球的敲击时,玻璃板振动的强弱是通过
来反映的.
(3)根据上表中的实验数据分析,可以得出的结论是
.

题号:1293889
题型:填空题
难易度:较易
日期:2016-04-05
来源:2016届湖北省黄冈市麻城市中考模拟物理卷(带解析)
【题文】请你读出图中所示的各测量工具的示数,并把它们填写在下面的横线上:甲中木块的长度是
;乙中物体的重力为
;丙中温度计的示数为
.

题号:1293893
题型:填空题
难易度:一般
日期:2016-04-05
来源:2016届湖北省黄冈市麻城市中考模拟物理卷(带解析)
【题文】图甲是一种常见的电热水袋,图乙是它的结构示意图.电热水袋通电加热到一定温度时温控开关S会自动切断电路,从而保证使用安全.电热水袋里面一般用水作储能物质,一个重要原因是
.温控开关S的内部结构如图丙所示:双金属片由两层不同金属粘合而成,受热时二者膨胀的快慢不同,金属层
(填“a”或“b”)膨胀较快,达到一定温度时,双金属片向上拱起,从而切断电路.为了防止温控开关失灵而引起热水袋爆炸,有的电热水器使用双重温控开关保护,也就是把两个温控开关
起来使用.

题号:1293894
题型:填空题
难易度:较易
日期:2016-04-05
来源:2016届湖北省黄冈市麻城市中考模拟物理卷(带解析)
【题文】从冰箱中拿出的冰棒上常粘着一些白花花的“粉”,剥开包装纸看到冰棒直冒“白气”,其中“粉”和“白气”的形成分别是 和 现象(填物态变化名称);吃冰棒感到凉快,主要是由于 的原因.
题号:1293895
题型:填空题
难易度:较易
日期:2016-04-05
来源:2016届湖北省黄冈市麻城市中考模拟物理卷(带解析)
【题文】建筑物在河中的“倒影“是由于光的 (填“反射”或“折射”)形成的;验钞机发出的 (填“红外”或“紫外)光能使钞票上的荧光物质发光;家用电器的遥控器发出的 (填“红外”或“紫外)光,能用来控制电风扇、电视机、空调器等电器的开启与关闭.
题号:1293885
题型:计算题
难易度:一般
日期:2016-04-05
来源:2016届湖北省黄冈市麻城市中考模拟物理卷(带解析)
【题文】开学时小明和同学去商店为班上购一台饮水机,售货员给他们一份××牌饮水机的宣传资料,其内容如图1所示.工作电路如图2所示,S
0是温控开关,可以自动控制饮水机的加热和保温状态.试问:

(1)请分析说明温控开关闭合时,饮水机处于加热还是保温状态.
(2)R
2的阻值是多少?
(3)小明估计当时的水温为20℃,当饮水机将水从20℃烧开需要吸收多少热量?需要多长时间?[c
水=4.2×10
3J/(kg•℃).气压为1标准大气压,热量全部被水吸收
(4)根据上面计算结果,请你对上述宣传资料中有关“饮水机的优点”的内容作出客观评价,给消费者一条有益的建议.
题号:1293886
题型:计算题
难易度:一般
日期:2016-04-05
来源:2016届湖北省黄冈市麻城市中考模拟物理卷(带解析)
【题文】如图为某坐便器的结构示意图.已知浮筒的重力为2N,一般情况下浮筒对进水阀门施加竖直向上为4N的力时进水管就停止向水箱注水.排水阀上表面呈圆形,面积为50cm
2,通过细线与冲水扳手相连.(g=10N/kg)

(1)坐便器具有防臭的优点是因为桶身和排水管构成了一个
的缘故.
(2)当排水阀处于30cm深处时,它受到水的压力为多少?(请写出必要的计算过程)
(3)进水管停止向水箱注水时,浮筒浸入水中的体积为多少?(请写出必要的计算过程)
题号:1293890
题型:作图题
难易度:一般
日期:2016-04-05
来源:2016届湖北省黄冈市麻城市中考模拟物理卷(带解析)
【题文】如图,暗室的墙上挂着一面镜子MN,对面墙上开了一个小窗.镜前有一光源A,试作出光源A照亮窗外的范围.

题号:1293891
题型:作图题
难易度:一般
日期:2016-04-05
来源:2016届湖北省黄冈市麻城市中考模拟物理卷(带解析)
【题文】如图所示,用一根细线拴住一块橡皮,甩起来,使橡皮绕手做圆周运动.请画出此时橡皮受力的示意图.(不计空气阻力)
