适用年级:{{getGradeNameByProperty('初三|中考模拟|河北|2016年')}} 试卷类型:{{getTestPaperTypeName('初三|中考模拟|河北|2016年')}} 使用省份:{{getAreaName('初三|中考模拟|河北|2016年')}}
试卷年份:{{getYear('初三|中考模拟|河北|2016年')}}上传日期:2016-01-08题数:33
提示:单击题文可显示答案与解析。
题号:1412218
题型:选择题
难易度:较难
日期:2016-01-08
来源:2015届河北涿州孙庄中学初三模拟考试物理卷(带解析)
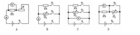
【题文】要测量一个阻值约为600Ω的电阻Rx,提供的器材有:干电池两节、学生用电压表(量程为0—3V、0—15V)、学生用电流表(量程为0—0.6A、0—3A)、滑动变阻器(10Ω 2A)和电阻箱R
0(0—9999Ω 5A)各一个,开关、导线若干.下列四个设计方案中,能测出Rx阻值的最合理的方案是( )

题号:1412219
题型:选择题
难易度:一般
日期:2016-01-08
来源:2015届河北涿州孙庄中学初三模拟考试物理卷(带解析)
【题文】在实验中经常遇到现象或效果不明显的问题,我们需要对实验进行优化改进,下列采取的
措施不合理的是( )
| A.在估测大气压值时,为了便于弹簧测力计的测量,选用较大容积的注射器 |
| B.在探究平面镜成像时,为了使棋子的像清晰一些,用手电筒对着棋子照 |
| C.在探究红外线的热效应时,为了使温度计示数变化明显,将玻璃泡涂黑 |
| D.在测量纸锥下落的速度时,为了方便时间的测量,选用锥角较大的纸锥 |
题号:1412220
题型:选择题
难易度:一般
日期:2016-01-08
来源:2015届河北涿州孙庄中学初三模拟考试物理卷(带解析)
【题文】物理图象可以用来直观且定量地描述物理概念和物理规律.如图所示图象,可以表示一定条件下两个物理量之间关系的有( )

| A.自由下落苹果的路程和时间的关系 |
| B.物体重力与其质量的关系 |
| C.电热与电流之间的关系 |
| D.压强和受力面积之间的关系 |
题号:1412221
题型:选择题
难易度:一般
日期:2016-01-08
来源:2015届河北涿州孙庄中学初三模拟考试物理卷(带解析)
【题文】一次家庭探究活动中,小明把一个正在发光的灯泡放到U形磁体中间,惊讶的发现了灯丝在晃动.关于这种现象,下列说法正确的是( )

| A.灯丝晃动是一种电磁感应现象 |
| B.灯丝晃动是内能转化成了机械能 |
| C.灯丝晃动是受到磁体的吸引作用 |
| D.灯丝晃动是磁场对电流的作用 |
题号:1412222
题型:选择题
难易度:一般
日期:2016-01-08
来源:2015届河北涿州孙庄中学初三模拟考试物理卷(带解析)
【题文】把重为12N的物体缓慢地放入装满水的溢水杯中,当物体静止后,测得溢出的水重为10N,则此时物体所处的状态及受到的浮力大小为( )
| A.漂浮,F浮=12N |
| B.沉底,F浮=12N |
| C.沉底,F浮=10N |
| D.漂浮,F浮=10N |
题号:1412223
题型:选择题
难易度:较易
日期:2016-01-08
来源:2015届河北涿州孙庄中学初三模拟考试物理卷(带解析)
【题文】浙江大学的科学家制作出了一种新型防菌“纳米纸”,这种纸“油水不沾”,细菌也无法停留在上面(如图).下列说法中正确的是( )
| A.“油水不沾”的原因是分子间无空隙 |
| B.这种纸与油、水的分子间只有斥力没有引力 |
| C.这种纸能使细菌的分子不能做无规则运动 |
| D.纳米纸上互相靠得很近的两滴油能自动结合成一滴是因为分子引力的缘故 |
题号:1412224
题型:选择题
难易度:一般
日期:2016-01-08
来源:2015届河北涿州孙庄中学初三模拟考试物理卷(带解析)
【题文】下列实验的操作中,不正确的是( )
| A.使用测电笔时,手一定要接触笔尾的金属电极 |
| B.连接电路的过程中,开关要处于断开状态 |
| C.把已调节好的天平移动到另一处使用,必须重新调节天平的平衡 |
| D.使用弹簧测力计时必须竖直放置,不能倾斜 |
题号:1412225
题型:选择题
难易度:较易
日期:2016-01-08
来源:2015届河北涿州孙庄中学初三模拟考试物理卷(带解析)
【题文】如图所示的常用工具,在使用过程中能省距离的是( )

题号:1412226
题型:选择题
难易度:一般
日期:2016-01-08
来源:2015届河北涿州孙庄中学初三模拟考试物理卷(带解析)
【题文】研究物理问题时经常用到科学的研究方法.如探究“真空能否传声”就是在实验基础上进行理想推理而得出结论,研究以下问题的方法与此方法相同的是( )
| A.分子热运动 |
| B.牛顿第一定律 |
| C.电阻上的电流与两端电压的关系 |
| D.磁场用磁感线来描述 |
题号:1412347
题型:选择题
难易度:较易
日期:2016-01-08
来源:2015届河北涿州孙庄中学初三模拟考试物理卷(带解析)
【题文】下列有关光现象的解释,正确的是
| A.小孔成像是因为光沿直线传播 |
| B.雨后彩虹是光的反射现象 |
| C.城市玻璃幕墙造成的“光污染”是光的折射现象 |
| D.电影屏幕制成白色是因为白色吸收各种色光 |
题号:1412348
题型:选择题
难易度:较易
日期:2016-01-08
来源:2015届河北涿州孙庄中学初三模拟考试物理卷(带解析)
【题文】关于声现象,下列说法错误的是( )
| A.弦乐队在演奏前,演奏员要调节乐器的弦的松紧,这样做的目的是为了改变音调 |
| B.诗句“不敢高声语,恐惊天上人”的“高”指声音的响度大 |
| C.用声波能粉碎人体内的“小石头”,说明声波具有能量 |
| D.人耳听不到蝴蝶翅膀振动的声音,是因为蝴蝶翅膀振动的频率太高 |
题号:1412349
题型:选择题
难易度:较易
日期:2016-01-08
来源:2015届河北涿州孙庄中学初三模拟考试物理卷(带解析)
【题文】某同学对下列四个物理量进行了估测,其中符合实际的是( )
| A.人的正常体温是35~42℃ |
| B.人步行的速度约为4km/h |
| C.人体安全的电压36V |
| D.电视机正常工作的电功率为1000W |
题号:1412077
题型:实验题
难易度:一般
日期:2016-01-08
来源:2015届河北涿州孙庄中学初三模拟考试物理卷(带解析)
【题文】一同学根据生活中的一些现象猜想:运动物体所受空气阻力可能与其运动速度有关.他在老师的帮助下利用一些“小纸杯”作为研究对象,用超声测距仪等先进仪器测量“小纸杯”在空中直线下落时的下落距离、速度,在相同的实验条件下,该同学首先测量了单只“小纸杯”在空中下落过程中不同时刻的下落距离,将数据填入下表中,图(a)是对应的路程时间图线,则

(1)图(a)中的AB段反映了运动物体在做______________运动,表中x处的值约为________m.接下来,该同学将不同数量(1只、2只、3只、4只、5只)的“小纸杯”先后叠放在一起从空中释放,并分别测出它们的速度一时间图线,如图(b)中图线1、2、3、4、5所示,则
(2)观察图(b)中单个纸杯的速度一时间图线1可知,小纸杯在直线下落的开始阶段,其运动速度的变化具有_________的特点,小纸杯最后做匀速直线运动,此时,它所受空气的阻力________自身重力(选填“大于”、“小于”或“等于”).
(3)单个纸杯和5只叠放纸杯比较,在它们各自到达匀速运动时所受的空气阻力之比为f
1:f
5=_______;再结合图(b)中的图线1和图线5可知,物体运动时遇到的阻力确实随着速度的增加而增大,但不成正比例关系,理由是
题号:1412078
题型:实验题
难易度:一般
日期:2016-01-08
来源:2015届河北涿州孙庄中学初三模拟考试物理卷(带解析)
【题文】在“测量小灯泡的电功率”的实验中,小明连接了如图所示的电路

(1)请帮小明将电路补充完整.
(2)正确连接电路后闭合开关,发现小灯泡不亮,电流表、电压表都没有示数.小明确定电路的接线良好,且电表和电源都完好,小明做出了以下猜想:猜想①:小灯泡断路猜想②:开关断路猜想③:滑动变阻器断路假设故障只有一处,经过分析,小明确定猜想①是不可能的.如果猜想①成立,则________
会有示数.为了尽快查出故障原因,小明将导线A端拆下,把它改接在_____ (填“B”或“C”)点的接线柱上.如果电流表、电压表都无示数,则猜想_______ (填序号) 正确.如果电流表、电压表都有示数,则猜想_______ (填序号) 正确.
题号:1412079
题型:实验题
难易度:一般
日期:2016-01-08
来源:2015届河北涿州孙庄中学初三模拟考试物理卷(带解析)
【题文】为了探究影响电热的因素,小伟设计了如图所示电路,烧瓶中盛有质量、初温均相等的煤油,R
2>R
1.

(1)除了温度计外,还需要的测量工具
.实验中煤油 吸热的多少是通过来
反映的(选填“温度计升高的示数”或“加热时间”).
(2)为了在较短的时间内达到明显的实验效果,小明选用煤油而不用水做实验,是因为煤油具有
的特点.
(3)通电一定时间后,乙瓶中的温度计示数升的快,由此得出的实验结论是
.
(4)若要在上面的电路中继续探究电热与电流的关系,你接下来的操作是
,比较
.
题号:1412080
题型:实验题
难易度:一般
日期:2016-01-08
来源:2015届河北涿州孙庄中学初三模拟考试物理卷(带解析)
【题文】小红周末在家洗碗时发现,在潮湿的水平大理石台面上轻推空塑料碗,塑料碗会滑动一段较长的距离,而同样推动陶瓷碗,滑动距离明显变短.她认为碗滑行的距离与碗所受摩擦力有关.两只碗受到的摩擦力为何不同?下图是她进行的探究“滑动摩擦力大小与哪些因素有关”的实验:
(1)实验中需用弹簧测力计________拉动木块,使它沿长木板滑动,这样做的目的是_________
(2)比较甲、丙可得出结论: .
(3)小红观察到两个碗底差不多光滑.请你帮她分析塑料碗与陶瓷碗所受摩擦力不同的主要原因:.
题号:1412083
题型:实验题
难易度:一般
日期:2016-01-08
来源:2015届河北涿州孙庄中学初三模拟考试物理卷(带解析)
【题文】如图是某种物体熔化时温度随加热时间变化的图像(假设在加热过程中物质的质量不变,单位时间内吸收的热量相同).

(1)由图象可看出该物质的是
(选填“晶体”或“非晶体”);
(2)在第2min末该物质处于
(选填“固态”、“液态”或“固液共存状态”);
(3)该物质熔化过程的特点是不断________,温度
;
(4)该物质在AB段的比热容_______ CD段的比热容.(填“大于”、“等于”或“小于”)
题号:1412211
题型:实验题
难易度:一般
日期:2016-01-08
来源:2015届河北涿州孙庄中学初三模拟考试物理卷(带解析)
【题文】如图所示为“安装直流电动机模型”实验的电路图.实验时,闭合开关S线圈转动,再将滑动变阻器滑片P向左移动,电动机转速将变______________;若开关S闭合后线圈不转,则他应该检查:

(1)线圈中是否有断路;
(2)磁体是否还具有磁性;
(3)电刷与_______的摩擦是否太大及轴与轴架的摩擦是否太大等.
题号:1412081
题型:填空题
难易度:一般
日期:2016-01-08
来源:2015届河北涿州孙庄中学初三模拟考试物理卷(带解析)
【题文】如图所示,在“测滑轮组机械效率”实验中,物体重为5.4N(不计绳重和摩擦).(1)实验中,要
拉动弹簧测力计,若读出了弹簧测力计的示数如图所示,用刻度尺测出了物块上升的高度为10cm,则滑轮组的机械效率是
;动滑轮的重为
N. (2)若仅增加物体的重,该滑轮组的机械效率将
,若仅增加物体上升的高度,该滑轮组的机械效率将
(选填“增大”、“减小”或“不变”).

题号:1412082
题型:填空题
难易度:一般
日期:2016-01-08
来源:2015届河北涿州孙庄中学初三模拟考试物理卷(带解析)
【题文】在测小石块的密度的实验中,小明先用天平测小石块的质量(如图甲所示),小石块的质量是
_ g,再用量筒测小石块的体积(如图乙所示),测小石块的密度ρ
1=[来
kg/m
3;小丽做实验时,先用量筒测小石块的体积,再用天平测小石块的质量,测得的小石块的密度为ρ
2,则ρ
2 ρ
1(选填“>”、“<”或“=”).

题号:1412209
题型:填空题
难易度:较易
日期:2016-01-08
来源:2015届河北涿州孙庄中学初三模拟考试物理卷(带解析)
【题文】.俗话说“鸡蛋不能碰石头”.鸡蛋碰石头的结局通常是鸡蛋被碰破,而石头却完好,从物理学的角度来看,鸡蛋壳的_________(选填“硬度”、“延展性”或“密度”)不及石头.假如用鸡蛋和石头相碰撞,鸡蛋对石头的力___________(选填“大于”、“等于”或“小于”)石头对鸡蛋的力.
题号:1412210
题型:填空题
难易度:一般
日期:2016-01-08
来源:2015届河北涿州孙庄中学初三模拟考试物理卷(带解析)
【题文】如图是小磊同学看远处物体时的光路图,由图可知他是__________(填“近视”或“远视”)眼,近视眼镜的镜片,其中心厚度比边缘_______,这种镜片对光有__________(填“会聚”或“发散”)作用。

题号:1412212
题型:填空题
难易度:一般
日期:2016-01-08
来源:2015届河北涿州孙庄中学初三模拟考试物理卷(带解析)
【题文】在第21届冬奥会比赛中王濛夺得短道速滑女子冠军,她成为冬奥会上的新晋三冠王.

(1)王濛在冰场上曲线滑行时(如图),冰场上的部分冰会___(填一物态变化名称) ,这一过程中冰的内能
.
(2)王濛在冰面上滑行时,冰刀所经过的地方会出现水痕,从冰刀的设计与普通鞋不同,你猜想冰的熔点随着压强的增大而____________(填“升高”或“降低”).
题号:1412213
题型:填空题
难易度:较易
日期:2016-01-08
来源:2015届河北涿州孙庄中学初三模拟考试物理卷(带解析)
【题文】粗细均匀的电阻丝AB长为L,当两端电压为3V时,通过的电流为0.2A,该电阻丝的电阻为______Ω;当两端电压为0时,该电阻丝的[电阻为_____Ω.若将电阻丝折成如图所示电阻丝CD的情形,电阻丝CD的电阻_______(填“大于”、“等于”或“小于”) 电阻丝AB的电阻.

题号:1412214
题型:填空题
难易度:较易
日期:2016-01-08
来源:2015届河北涿州孙庄中学初三模拟考试物理卷(带解析)
【题文】反射光线和平面镜的夹角为15°,则入射角为_______;若转动平面镜,使入射角减小到30°,则反射光线和入射光线的夹角是_______.
题号:1412215
题型:填空题
难易度:较易
日期:2016-01-08
来源:2015届河北涿州孙庄中学初三模拟考试物理卷(带解析)
【题文】小明去商场购物,自动扶梯将他从一楼匀速送上二楼,在这个过程中,以________为参照物小明是运动的,以_______为参照物小明是静止的;小明的动能______,机械能_______(选填“增大”、“不变”或“减小”).
题号:1412216
题型:填空题
难易度:一般
日期:2016-01-08
来源:2015届河北涿州孙庄中学初三模拟考试物理卷(带解析)
【题文】冬奥会上所用冰壶的质量为20kg,静止在冰面上时对冰面的压力为_______N.(g=10N/kg).冰壶被推出后仍向前滑行是因为冰壶具有_________,最终停下来是由于受到________力的作用.
题号:1412217
题型:填空题
难易度:较易
日期:2016-01-08
来源:2015届河北涿州孙庄中学初三模拟考试物理卷(带解析)
【题文】光在真空中的传播速度是_________km/s.家中的电视遥控器是靠_______(选填“超声波”或“红外线”、“紫外线”)来实现对电视机的控制的.太阳能属于_______能源(选填“可再生”或“不可再生”).
题号:1412084
题型:计算题
难易度:一般
日期:2016-01-08
来源:2015届河北涿州孙庄中学初三模拟考试物理卷(带解析)
【题文】某电热水瓶的容量为2L,有加热和保温两档,该电热水瓶装满初温为20℃的水接在家庭电路中,它正常工作时的功率和时间关系如图所示.(外界大气压强为1个标准大气压,计算结果保留一位小数).求:

(1)保温时通过电热水瓶的电流是多少?
(2)若通电10min恰好将水烧开,则加热时电热水瓶的热效率是多少?
题号:1412085
题型:计算题
难易度:一般
日期:2016-01-08
来源:2015届河北涿州孙庄中学初三模拟考试物理卷(带解析)
【题文】在今年中考体育测试中,小明1000m跑的成绩为3min20s,已知他的质量为50kg(g取10N/kg),求:
(1)他1000m跑的过程中的平均速度为多大?
(2)该同学站立时双脚与地面的接触面积为250cm2,那么他跑步过程中脚对地面的压强为多大?
题号:1412086
题型:作图题
难易度:一般
日期:2016-01-08
来源:2015届河北涿州孙庄中学初三模拟考试物理卷(带解析)
【题文】如图中是一个放在桌面上的通电螺线管,位于它正上方还放有一小磁针.请在图上标出通电螺线管的N极和小磁针的N极.

题号:1412207
题型:作图题
难易度:一般
日期:2016-01-08
来源:2015届河北涿州孙庄中学初三模拟考试物理卷(带解析)
【题文】如图中为使杠杆ON在图示位置能保持静止,需在M点施加一个力F.请在图中画出物体A对杆拉力的力臂和在M点对杆的最小拉力F的示意图.

题号:1412208
题型:作图题
难易度:一般
日期:2016-01-08
来源:2015届河北涿州孙庄中学初三模拟考试物理卷(带解析)
【题文】
.如图所示,两条入射光线(或延长线)分别过凹透镜的光心
O和焦点
F,分别画出经过凹透镜折射后的光线。
