适用年级:{{getGradeNameByProperty('初三|中考模拟|江苏|2015年')}} 试卷类型:{{getTestPaperTypeName('初三|中考模拟|江苏|2015年')}} 使用省份:{{getAreaName('初三|中考模拟|江苏|2015年')}}
试卷年份:{{getYear('初三|中考模拟|江苏|2015年')}}上传日期:2015-05-12题数:31
提示:单击题文可显示答案与解析。
题号:1468756
题型:选择题
难易度:较难
日期:2015-05-12
来源:2015届江苏江阴初级中学初三中考一模物理卷(带解析)
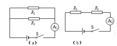
【题文】在如图(a)所示的电路中,电源电压保持不变.闭合电键S,过一段时间后,电流表A
1的示数突然变小,但不为零.将电阻R
2与另一电阻R
3连成如图(b)所示电路(两电路使用的电源相同),闭合电键S,发现电流表A
2的示数与电流表A
1的示数相同.若故障可能出现在电阻R
1、R
2、R
3上,则下列判断中正确的是( )

| A.电阻R1可能是完好的 |
| B.电阻R2可能发生断路 |
| C.电阻R3一定发生短路 |
| D.电阻R3一定是完好的 |
题号:1468757
题型:选择题
难易度:较难
日期:2015-05-12
来源:2015届江苏江阴初级中学初三中考一模物理卷(带解析)
【题文】图甲所示为一台电压力锅,它结合了高压锅和电饭锅的优点,省时省电、安全性高。当电压力锅内部气压过大或温度过高时,发热器都会停止工作。图乙中S
1为过压保护开关,S
2为过热保护开关,压强过大时开关S
1自动断开,温度过高时开关S
2自动断开。图乙表示S
1、S
2和锅内发热器的连接情况,其中符合上述工作要求的是

题号:1468758
题型:选择题
难易度:一般
日期:2015-05-12
来源:2015届江苏江阴初级中学初三中考一模物理卷(带解析)
【题文】同一个鸡蛋先后放入水和盐水中静止时,鸡蛋在图甲中漂浮、在图乙中沉底,由此可知

| A.甲图中的鸡蛋受到的浮力大于重力 |
| B.乙图中的鸡蛋受到的浮力小于重力 |
| C.甲、乙两图中鸡蛋受到的浮力大小相等 |
| D.乙图中的液体是盐水 |
题号:1468759
题型:选择题
难易度:一般
日期:2015-05-12
来源:2015届江苏江阴初级中学初三中考一模物理卷(带解析)
【题文】打篮球是大家喜爱的体育运动。向空中斜抛出去的篮球运动轨迹如图所示,不考虑空气阻力的影响,下列说法中正确的是

| A.篮球能继续运动,是因为受到力的作用 |
| B.篮球落向地面是由于篮球具有惯性 |
| C.篮球若不受重力,将失去惯性 |
| D.篮球受到重力作用,运动状态发生改变 |
题号:1468760
题型:选择题
难易度:一般
日期:2015-05-12
来源:2015届江苏江阴初级中学初三中考一模物理卷(带解析)
【题文】如图所示,一小闹钟静止在水平桌面上,则

| A.闹钟受到的重力和桌面对闹钟的支持力是一对平衡力 |
| B.桌子受到的支持力和闹钟对桌面的压力是一对相互作用力 |
| C.闹钟受到的重力和闹钟对桌面的压力是一对相互作用力 |
| D.桌子受到的重力和闹钟对桌面的压力是一对平衡力 |
题号:1468761
题型:选择题
难易度:一般
日期:2015-05-12
来源:2015届江苏江阴初级中学初三中考一模物理卷(带解析)
【题文】
(1)春天,冰雪融化
(2)夏天,从冰箱里面拿出来的饮料罐“出汗”
(3)秋天,清晨出现的雾
(4)冬天,早晨在太阳照射下,草地上的霜消失
| A.(1)(2) | B.(2)(3) | C.(1)(4) | D.(2)(4) |
题号:1468762
题型:选择题
难易度:一般
日期:2015-05-12
来源:2015届江苏江阴初级中学初三中考一模物理卷(带解析)
【题文】将一杯水放入冰箱冷冻室中,时间足够长,其温度随时间变化的图像是

题号:1468763
题型:选择题
难易度:一般
日期:2015-05-12
来源:2015届江苏江阴初级中学初三中考一模物理卷(带解析)
【题文】如图所示,小明用鱼叉去叉所看到的鱼,老王则用手电筒去照亮所看到的鱼,有关两人的做法中正确的是

| A.小明应叉“鱼”的下方,老王应对准“鱼”照 |
| B.小明和老王都应对准“鱼”叉和照 |
| C.小明和老王都应对准“鱼”的下方叉和照 |
| D.小明应对准“鱼”叉,老王对“鱼”的下方照 |
题号:1468764
题型:选择题
难易度:一般
日期:2015-05-12
来源:2015届江苏江阴初级中学初三中考一模物理卷(带解析)
【题文】如图是超市中用来识别货物和价格的条形码,以下有关说法正确的是

| A.当扫描器照射它时,黑条纹将光反射,白条纹将光吸收 |
| B.当扫描器照射它时,设备能接收条形码反射的光 |
| C.当扫描器照射它时,能将接收的折射光转换成数字信号 |
| D.扫描器能识别条形码本身发出的亮暗不同的光 |
题号:1468765
题型:选择题
难易度:较易
日期:2015-05-12
来源:2015届江苏江阴初级中学初三中考一模物理卷(带解析)
【题文】如图所示是我们常见的生活现象,由于光的直线传播形成的是

题号:1468766
题型:选择题
难易度:一般
日期:2015-05-12
来源:2015届江苏江阴初级中学初三中考一模物理卷(带解析)
【题文】关于声现象,下列说法中正确的是( )
| A.“公共场所不要大声喧哗”是要求人们在公共场所说话音调放低些 |
| B.声音的传播需要介质,声音在传播过程中响度会减弱 |
| C.关紧门窗后,屋外传来的声音明显变小,是由于固体不能传声 |
| D.用大小不同的力敲击同一音叉,音叉发声的音色会不同 |
题号:3882727
题型:选择题
难易度:较易
日期:2015-05-12
来源:2015届江苏江阴初级中学初三中考一模物理卷(带解析)
【题文】关于厨房中的物理现象,以下说法中不正确的是
| A.拧开醋瓶盖,醋味扑鼻是由于分子不停地做无规则运动 |
| B.用高压锅煮饭熟得快是因为高压锅内气压大、水的沸点高 |
| C.洗碗时“油花”漂在水面上,其原因是油的密度比水大 |
| D.一小勺盐放入满杯的水中,水未溢出,说明分子间有间隙 |
题号:1468739
题型:实验题
难易度:较难
日期:2015-05-12
来源:2015届江苏江阴初级中学初三中考一模物理卷(带解析)
【题文】(5分)小明同学在探究影响浮力大小的因素时,做了如图20所示的实验.请你根据小明的实验探究回答下列问题.

(1)在C与E两图中,保持了排开液体的体积不变,研究浮力与
关系:根据A与E两图所标的实验数据,可知物体浸没在盐水中所受的浮力为
N.
(2)小明对ABCD四个步骤进行了观察研究,发现浮力的大小有时与深度有关,有时与深度又无关,对此正确的解释是浮力的大小随着排开水的体积的增大而
,当物体完全浸没在水中后排开水的体积相同,浮力的大小与浸没深度
.
(3)在小明实验的基础上,根据有关实验数据,可以计算出盐水的密度为
kg/m
3.
题号:1468741
题型:实验题
难易度:较难
日期:2015-05-12
来源:2015届江苏江阴初级中学初三中考一模物理卷(带解析)
【题文】(4分)为了探究静摩擦力作用的相互性,并比较一对相互作用的静摩擦力的大小,某实验小组设计了如图甲所示的实验装置,整个装置放在水平桌面上,其中A、B两木块叠放在一起,两个轻质弹簧测力计C、D的一端与两木块相连,另一端固定在铁架台E、F上.后来经过讨论,完善了实验装置,如图乙所示.

(1)在理想情况下,B对A的静摩擦力的大小等于弹簧测力计_____的示数.(填“C”或“D”)
(2)在B下面放细圆木条的目的是_
___。
(3)实验中需向右缓慢移动铁架台F,在此过程中,应使A、B保持相对_
__(填“运动”或“静止”),整个装置静止后,读取两个弹簧测力计的示数F
1、F
2.
(4)分析两个弹簧测力计的示数F
1、F
2,若__
___,则静摩擦力的作用是相互的,且一对相互作用的静摩擦力大小相等。
题号:1468742
题型:实验题
难易度:一般
日期:2015-05-12
来源:2015届江苏江阴初级中学初三中考一模物理卷(带解析)
【题文】(4分)在测量“小石块的密度”实验中:

(1)天平使用前调节时,若发现指针静止时的位置如图甲所示,此时应将平衡螺母向________(选填“左”或“右”)调节.
(2)天平平衡时,砝码及游码的位置如图乙所示,则石块的质量为______g.
(3)用一根尼龙线系着小石块浸没在装有60mL水的量筒中,这时量筒中水面的位置如图丙所示.则小石块的密度为________kg/m
3.
(4)由于尼龙线有一定的体积,造成石块密度的测量值比真实值偏_______(填“大”或“小”).
题号:1468743
题型:实验题
难易度:较难
日期:2015-05-12
来源:2015届江苏江阴初级中学初三中考一模物理卷(带解析)
【题文】如下图所示是小明探究“比较水和煤油的比热容大小”的实验装置。


(1)为保证让水和煤油在相同时间内能吸收相同的热量,甲、乙两个电阻丝的阻值必须满足的条件是阻值___________(选填“相等”或“不相等”)。
(2)实验时还要使这两种不同物质的初温和________相同。
(3)在此实验中,用加热时间的长短来表示物质_______________。
(4)观察分析表格和图像,我们能得出的水和煤油比热容的大小关系是C
水______C
煤油。(选填“大于”、“小于”或“等于”)
题号:1468744
题型:实验题
难易度:较难
日期:2015-05-12
来源:2015届江苏江阴初级中学初三中考一模物理卷(带解析)
【题文】(3分)在探究凸透镜成像规律的实验中。当点燃的蜡烛、凸透镜和光屏分别置于如图甲所示A、O、B位置时,在光屏上C处会得到一个倒立、
的实像(选填“放大”“缩小”或“等大”)。当蜡烛燃烧一段时间后,则烛焰的中心可能在光屏上
(选填“C”、“D”或“E”)处仍能得到一个清晰的像。在光屏上获得清晰的像后,小明取了一副近视眼镜放在凸透镜前(如图乙所示),观察到光屏上的像变模糊了,为了要使光屏上再次成清晰的像,应该将光屏适向
移(选填“左”或“右”)。

题号:1468745
题型:填空题
难易度:较难
日期:2015-05-12
来源:2015届江苏江阴初级中学初三中考一模物理卷(带解析)
【题文】(2分)如图一束光从空气斜射入平行玻璃砖(入射角为50°)后,再折射入空气.

(1)图甲、乙两图中,符合光的折射规律的是图______(选填“甲”或“乙”);
(2)光从玻璃斜射入空气中的折射角____50°(选填“大于”、“小于”或“等于”).
题号:1468747
题型:填空题
难易度:较难
日期:2015-05-12
来源:2015届江苏江阴初级中学初三中考一模物理卷(带解析)
【题文】如图所示的电路中,电源电压恒为4.5V,电压表V
1、V
2的量程均为0~3V,电流表的量程为0~0.6A,滑动变阻器的规格为“20Ω lA”,灯泡标有“2.5V 1.25W”字样。闭合开关后,若要求三只电表的示数均不能超过所选量程,且灯泡两端电压不能超过其额定值,不考虑灯丝电阻的变化,则整个电路的最大功率是
W,滑动变阻器的电阻允许调节的范围是
。

题号:1468748
题型:填空题
难易度:一般
日期:2015-05-12
来源:2015届江苏江阴初级中学初三中考一模物理卷(带解析)
【题文】太阳能路灯的灯杆顶端是太阳能电池板,它能将太阳能转化为电能,并向灯杆下方的蓄电池充电,将电能转化为 能储存起来,供夜晚路灯照明.若在一定时间内,太阳光辐射到该太阳能电池板的能量为2.7×107J,这与完全燃烧 kg的煤放出的热量相当;这些能量经转化后,可供功率为35W的路灯工作60h,那么该太阳能路灯的能量转化效率是 %(煤的热值为3.0×107J/kg).
题号:1468749
题型:填空题
难易度:一般
日期:2015-05-12
来源:2015届江苏江阴初级中学初三中考一模物理卷(带解析)
【题文】电子式电能表表盘上标有“3000imp/(kW·h)”的字样(imp表示电能表指示灯闪烁次数),将某用电器单独接在该电能表上,正常工作30min,电能表指示灯闪烁了300次,则该用电器在上述时间内消耗的电能是 kW·h,该用电器的功率是 W。
题号:1468750
题型:填空题
难易度:较难
日期:2015-05-12
来源:2015届江苏江阴初级中学初三中考一模物理卷(带解析)
【题文】某灯泡额定电压是36V,正常发光时灯丝电阻为24Ω,则此灯的额定电流是 A.如果电源电压是48V,为使照明灯能正常发光,可以在电路中串联一个阻值为 Ω的电阻.
题号:1468751
题型:填空题
难易度:一般
日期:2015-05-12
来源:2015届江苏江阴初级中学初三中考一模物理卷(带解析)
【题文】我们用吸管吸杯中的饮料是利用了 的作用,随着杯中饮料的下降,杯中液体对杯底的压强将 (选填“变大”或“变小”)。
题号:1468752
题型:填空题
难易度:较易
日期:2015-05-12
来源:2015届江苏江阴初级中学初三中考一模物理卷(带解析)
【题文】2014年1月4日,国家首次将雾霾天气纳入2013年自然灾情进行通报,改善空气质量的首要任务是控制PM2.5,PM2.5是指大气中直径小于或等于2.5 (填长度单位)的颗粒物,它们在空气中做无规则运动,很难自然沉降到地面,吸入后会进入血液对人体形成危害,PM2.5在空气中的运动 (选填“属于”或“不属于”)分子运动。3月20日0-24时无锡空气质量为轻度污染,PM2.5日均浓度为77×10-3mg/m3,那么103m3的空气中PM2.5的颗粒物的质量为 g。
题号:1468753
题型:填空题
难易度:较易
日期:2015-05-12
来源:2015届江苏江阴初级中学初三中考一模物理卷(带解析)
【题文】为了获得升力,机翼上表面附近气流的速度 (填“大于”或“小于”)机翼下表面附近气流的速度,坐在飞机上的人看到地面上的人向下运动,若以地面上的人为参照物,则飞机在 (选填“上升”或“下降”)
题号:1468754
题型:填空题
难易度:较难
日期:2015-05-12
来源:2015届江苏江阴初级中学初三中考一模物理卷(带解析)
【题文】光电鼠标在电脑中应用非常广泛, 其原理就是利用发光二极管照射移动表面(如图所示),并被反射回鼠标的光学感应器,用以记录移动动作,以此来捕捉移动位置的不同画面。当鼠标移动时,感应器会连续拍摄鼠标垫表面所成的像,并利用数字信号处理来比较各个影像,以决定移动的距离和方向。产生的结果会传回计算机,而屏幕上的光标会根据这些结果来移动,图中光学感应器、透镜、发光二极管等元件固定在鼠标内。

(1)当发光二极管的光照射在粗糙的鼠标垫上时会发生______(填“镜面反射”或“漫反射”)。
(2)光学感应器上所成的像是_____(填“实像”或“虚像”)。
(3)将鼠标离开鼠标垫一定高度后悬空向前移动时,电脑显示器上的光标并不移动,是因为此时像没有刚好成在光学感应器上而是成在光学感应器的
(填“上方”或“下方”)。
题号:1468755
题型:填空题
难易度:一般
日期:2015-05-12
来源:2015届江苏江阴初级中学初三中考一模物理卷(带解析)
【题文】小明同学身高1.65m,他站在竖直放置的平面镜前2 m处,他在镜中的像高为 m,像与他相距 m。若他向平面镜靠近,像的大小将 。(选填“变大”、“不变”或“变小”)
题号:3882728
题型:填空题
难易度:较易
日期:2015-05-12
来源:2015届江苏江阴初级中学初三中考一模物理卷(带解析)
【题文】如图,我国在研制舰载机时用到了先进的3D激光打印技术,包括打印钛合金机身骨架及高强钢起落架等。其中的关键技术是在高能激光的作用下,钛合金、高强钢等金属材料
(填“吸收”或“放出”)热量,
成液态(填物态变化名称),然后按构件形状重新结晶。

题号:1447645
题型:计算题
难易度:一般
日期:2015-11-11
来源:2015届江苏江阴初级中学初三中考一模物理卷(带解析)
【题文】(4分)一辆坦克的质量为20t,它有两条履带,每条履带与水平地面的接触面积为2m2,g取10N/kg,则
(1)该坦克对水平地面的压力为多少?
(2)该坦克对地面产生的压强为多少?
题号:1468740
题型:综合题
难易度:较难
日期:2015-05-12
来源:2015届江苏江阴初级中学初三中考一模物理卷(带解析)
【题文】(4分)一同学根据生活中的一些现象猜想:运动物体所受空气阻力可能与其运动速度有关.他在老师的帮助下利用一些“小纸杯”作为研究对象,用超声测距仪等先进仪器测量“小纸杯”在空中直线下落时的下落距离、速度,在相同的实验条件下,该同学首先测量了单只 “小纸杯”在空中下落过程中不同时刻的下落距离,将数据填入下表中,图(a)是对应的路程时间图线,则

(1)图(a)中的AB段反映了运动物体在做____________运动,表中x处的值为__________m.
(2)接下来,该同学将不同数量(1只、2只、3只、4只、5只)的“小纸杯”先后叠放在一起从空中释放,并分别测出它们的速度一时间图线,如图(b)中图线1、2、3、4、5所示,则观察图(b)中单个纸杯的速度一时间图线1可知,小纸杯最后做匀速直线运动,此时,它所受空气的阻力__________自身重力(选填“大于”、“小于”或“等于”).
(3)单个纸杯和5只叠放纸杯比较,在它们各自到达匀速运动时所受的空气阻力之比为f
1:f
5=_______.
题号:1468746
题型:作图题
难易度:一般
日期:2015-05-12
来源:2015届江苏江阴初级中学初三中考一模物理卷(带解析)
【题文】(2分)按要求作图:

(1)在左图虚线框内画出合适的透镜
(2)重10N的小球抛出后的运动轨迹如右图所示,画出小球在A位置时所受重力的示意图.