适用年级:{{getGradeNameByProperty('初三|中考模拟|山东|2013年')}} 试卷类型:{{getTestPaperTypeName('初三|中考模拟|山东|2013年')}} 使用省份:{{getAreaName('初三|中考模拟|山东|2013年')}}
试卷年份:{{getYear('初三|中考模拟|山东|2013年')}}上传日期:2013-06-17题数:26
提示:单击题文可显示答案与解析。
题号:1490654
题型:选择题
难易度:一般
日期:2013-06-17
来源:2013届山东省潍坊市九年级学业水平模拟考试(二模)物理试卷(带解析)
【题文】如图a所示,石料在钢绳拉力的作用下从水面上方以恒定的速度下降,直至全部没入水中。其钢绳拉力F随时间t变化的规律如图b所示。若不计水的摩擦力,则该

| A.石料的重为1400N |
| B.石料的重为500N |
| C.石料的密度为2.8×103kg/m3 |
| D.石料的密度为3.2×103kg/m3 |
题号:1490655
题型:选择题
难易度:较易
日期:2013-06-17
来源:2013届山东省潍坊市九年级学业水平模拟考试(二模)物理试卷(带解析)
【题文】如图,两块质量相同的砖A、B,叠放在水平面上,在水平力F=40N作用下匀速运动,则

A.A与B之间的摩擦力为20N
B.A与B之间的摩擦力为0N
C.B与水平面之间的摩擦力为40N
D.B与水平面之间的摩擦力为20N
题号:1490656
题型:选择题
难易度:一般
日期:2013-06-17
来源:2013届山东省潍坊市九年级学业水平模拟考试(二模)物理试卷(带解析)
【题文】小明根据所学的物理知识并结合下列表格中的数据,得出以下四个结论,其中正确的是

| A.寒冬季节盛有水的水缸放在室外不可能破裂 |
| B.标准大气压下,铝在660℃时可能处于固液共存状态 |
| C.体积相等的铁球和铝球,如果它们的质量相等,铁球可能是实心的 |
| D.质量相等的实心铁块和实心铝块,升高相同的温度,铝块吸收的热量较多 |
题号:1490657
题型:选择题
难易度:较易
日期:2013-06-17
来源:2013届山东省潍坊市九年级学业水平模拟考试(二模)物理试卷(带解析)
【题文】物质世界多姿多彩,从浩瀚宇宙到微观世界,所有都体现物质的不停运动和发展。以下与物质有关的说法,正确的是
| A.纳米科学技术的研究对象是比原子更小的微粒 |
| B.物质是由分子组成的,分子间同时存在引力和斥力 |
| C.分子是由原子组成,各种原子都有相似的结构 |
| D.扩散现象表明,各种物质的分子在不停地运动 |
题号:1490658
题型:选择题
难易度:较易
日期:2013-06-17
来源:2013届山东省潍坊市九年级学业水平模拟考试(二模)物理试卷(带解析)
【题文】
| A.天气很冷时,窗户玻璃上会出现冰花,这是一种凝固现象 |
| B.“下雪不冷化雪冷”,这是因为雪在熔化时吸热 |
| C.游泳后,刚从水中出来,感觉比较冷,这是因为人身上的水分蒸发带走热量 |
| D.打开冰糕的包装纸,常常会看到冰糕冒“白气”,这是一种升华现象 |
题号:1490659
题型:选择题
难易度:较易
日期:2013-06-17
来源:2013届山东省潍坊市九年级学业水平模拟考试(二模)物理试卷(带解析)
【题文】关于电磁感应现象,下列说法正确的是
| A.电磁感应现象中机械能转化为电能 |
| B.导体在磁场中运动,能够产生感应电流 |
| C.感应电流的大小跟磁场强弱有关 |
| D.感应电流的方向只跟导体运动方向有关 |
题号:1490660
题型:选择题
难易度:容易
日期:2013-06-17
来源:2013届山东省潍坊市九年级学业水平模拟考试(二模)物理试卷(带解析)
【题文】生活中经常对一些物理量进行估测,下列数值最接近实际情况的是
| A.人骑自行车的平均速度约为1m/s |
| B.一个中学生的体重约为500N |
| C.人沐浴时水的温度约为60℃ |
| D.人体的密度约为1.0×103kg/m3 |
题号:1490661
题型:选择题
难易度:容易
日期:2013-06-17
来源:2013届山东省潍坊市九年级学业水平模拟考试(二模)物理试卷(带解析)
【题文】下列说法正确的是
| A.奥斯特发现了电磁感应现象 |
| B.法拉第发现了电流的磁效应现象 |
| C.焦耳发现了电流的热效应现象 |
| D.听筒是利用电流的磁效应原理工作的 |
题号:1490663
题型:选择题
难易度:一般
日期:2013-06-17
来源:2013届山东省潍坊市九年级学业水平模拟考试(二模)物理试卷(带解析)
【题文】 如图所示,放在水平地面上的物体A、B高度相等,A对地面的压力小于B对地面的压力。若在两物体上部沿水平方向切去相同的厚度,则剩余部分的质量m
A′、m
B′的关系是

A. m
A′一定大于m
B′
B. m
A′可能大于m
B′
C. m
A′一定小于m
B′
D. m
A′可能等于m
B′
题号:1490664
题型:选择题
难易度:一般
日期:2013-06-17
来源:2013届山东省潍坊市九年级学业水平模拟考试(二模)物理试卷(带解析)
【题文】 下图中小磁针的指向正确的是

题号:1490665
题型:选择题
难易度:一般
日期:2013-06-17
来源:2013届山东省潍坊市九年级学业水平模拟考试(二模)物理试卷(带解析)
【题文】如图所示是汽车油量表工作原理的示意图,图中油量表实质是一个电流表,当油量减少时

| A.电路上电阻增大,电流减小 |
| B.电路上电阻增大,电流增大 |
| C.电路上电阻减小,电流减小 |
| D.电路上电阻减小,电流增大 |
题号:1490666
题型:选择题
难易度:较易
日期:2013-06-17
来源:2013届山东省潍坊市九年级学业水平模拟考试(二模)物理试卷(带解析)
【题文】如图所示的四种工具在使用过程中,属于费力杠杆的是

题号:1490667
题型:选择题
难易度:容易
日期:2013-06-17
来源:2013届山东省潍坊市九年级学业水平模拟考试(二模)物理试卷(带解析)
【题文】 一瓶矿泉水放入冰箱结冰后,不发生改变的物理量是
题号:1490668
题型:选择题
难易度:容易
日期:2013-06-17
来源:2013届山东省潍坊市九年级学业水平模拟考试(二模)物理试卷(带解析)
题号:1490669
题型:选择题
难易度:容易
日期:2013-06-17
来源:2013届山东省潍坊市九年级学业水平模拟考试(二模)物理试卷(带解析)
【题文】下列用电器中,工作时主要将电能转化为机械能的是
A.电熨斗 B.洗衣机 C.电水壶 D.电烙铁
题号:3415117
题型:选择题
难易度:一般
日期:2017-03-14
来源:2013届山东省潍坊市九年级学业水平模拟考试(二模)物理试卷(带解析)
【题文】如图所示,主光轴上有一点光源S.在凸透镜的另一侧有一光屏,此时光屏和光源到凸透镜的距离均为d,点光源发出的光通过凸透镜在光屏上形成一个光斑,现让光屏稍微靠近凸透镜,光斑的面积会减小,设凸透镜的焦距为f,由此可判断 ( )

| A.d一定小于f |
| B.d 一定大于2f |
| C.d一定大于f,小于2f |
| D.d可能大于2f,也可能小于f |
题号:3966115
题型:选择题
难易度:容易
日期:2013-08-29
来源:2013届山东省潍坊市九年级学业水平模拟考试(二模)物理试卷(带解析)
题号:3966116
题型:选择题
难易度:较易
日期:2013-06-17
来源:2013届山东省潍坊市九年级学业水平模拟考试(二模)物理试卷(带解析)
【题文】人站在平面镜前,当他向平面镜走近时,下列说法正确的是
| A.像变大,像到镜面的距离变小 | B.像变大,像到镜面的距离变大 |
| C.像不变,像到镜面的距离变小 | D.像不变,像到镜面的距离不变 |
题号:3966117
题型:选择题
难易度:容易
日期:2013-06-17
来源:2013届山东省潍坊市九年级学业水平模拟考试(二模)物理试卷(带解析)
【题文】我市目前已全面开通了3G手机通信业务。使用3G手机不仅可以通话,还可以随时通过无线网络上网。下列说法正确的是
| A.电磁波能在真空中传播 |
| B.手机通话是直接传输声信号 |
| C.电磁波在空气中的传播速度是340m/s |
| D.手机无线上网是利用电磁波传输数字信号 |
题号:3966118
题型:选择题
难易度:一般
日期:2013-06-17
来源:2013届山东省潍坊市九年级学业水平模拟考试(二模)物理试卷(带解析)
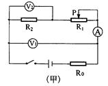
【题文】在图甲所示电路中,R
0、R
2为定值电阻,改变滑动变阻器R
1的滑片位置,电压表V
1、V
2和电流表A的示数均要发生变化。两电压表示数随电流变化的图线如图乙所示。则下列判断中正确的是


| A.电压表V2示数变化图线为a |
| B.电压表V2示数变化图线为b |
| C.电阻R0为1欧 |
| D.电阻R2为1欧 |
题号:1490650
题型:实验题
难易度:一般
日期:2013-06-17
来源:2013届山东省潍坊市九年级学业水平模拟考试(二模)物理试卷(带解析)
【题文】在“探究电流跟电阻的关系”、“伏安法测小灯泡电阻”的实验中。
(1)某同学实验中电流表和电压表的指针偏转情况如图所示,则出现的问题是
。

(2)下列关于这两个实验的一些说法中,你认为正确的是
。
A.两个实验都采取了控制变量法;
B.两实验采用的原理是相同的;
C.前者多次测量的目的是分析多组数据,得出电流跟电阻的关系;
D.后者多次测量的目的是取多组的平均值以减小误差
(3)在“伏安法测灯泡电阻”实验中,小章同学发现当小灯泡两端电压减小时,它的亮度随之减弱,测量的小灯泡电阻也相应减小,造成这一变化的合理解释是
。
A.导体电阻与导体两端的电压有关;
B.根据欧姆定律,电流一定时,导体的电阻与电压成正比;
C.电压减小时,通过小灯泡的电流不变,电阻减小;
D.电压减小时,小灯泡亮度变暗,温度变低,电阻变小
题号:1490651
题型:实验题
难易度:一般
日期:2013-06-17
来源:2013届山东省潍坊市九年级学业水平模拟考试(二模)物理试卷(带解析)
【题文】用下图所示的实验电路,测量一个标有“2.5V”字样的小灯泡的额定功率。
(1)请在虚线框内画出与图对应的电路图。

(2)闭合开关后,电流表和电压表的示数都较小,小灯泡不发光,其原因是:__________________________________________。
(3)经过调整后,小灯泡发光,但如何使小灯泡正常发光呢?你的措施是:
__________________________________________________________________。

(4)爱探究的小强用另一只电流表A
2和一个5W的定值电阻R,连接了如图 所示的电路,同样测出了小灯泡的额定功率。具体操作是:闭合开关,移动滑动变阻器的滑片,使电流表A
2的示数为_____A,小灯泡正常发光。此时电流表A
1的示数如图所示,则小灯泡的额定功率为_____W。
题号:1490652
题型:实验题
难易度:一般
日期:2013-06-17
来源:2013届山东省潍坊市九年级学业水平模拟考试(二模)物理试卷(带解析)
【题文】为了研究小球在对接斜面上运动时所能到达的最大高度与斜面倾角、小球的材料小球质量的关系,小明做了下列两步实验:
(1)使小球从AB斜面上高位h处由静止滚下,小球滚上BC斜面后,能到达的最大高度为h
1,如图(a)所示;逐步减小BC斜面的倾角(

),小球能到达的最大高度分别为h
2、h
3,如图(b)、(c)所示。
(2)换用材料相同、质量不同的小球再次实验,如图(d)所示。请仔细观察实验现象,归纳得出初步结论。

请仔细观察实验现象,归纳得出初步结论:
(1)分析比较图(a)和(b)和(c)中小球在BC斜面上能到达的最大高度及相关条件可得:小球从同一高度由静止滚下时,BC斜面的倾角越小,同一小球能到达的最大高度
。
(2)分析比较图(c)和(d)中小球在BC斜面上能到达的最大高度及相关条件可得:小球从同一高度由静止滚下时, BC斜面的倾角相同,材料相同、质量不同的小球能到达的最大高度
.
题号:1490653
题型:实验题
难易度:较难
日期:2013-06-17
来源:2013届山东省潍坊市九年级学业水平模拟考试(二模)物理试卷(带解析)
【题文】小明要测量一根1m左右、粗细和质地都均匀的细木棒的质量,通过估测发现木棒的质量会超出现有天平的量程.于是,他想用其他方法进行测量.
现有器材:天平、一块质量适当的金属块、一把量程为20cm的刻度尺和几根足量长的细绳.要求:只利用现有器材请你帮他设计测量这根细木棒质量的方案,(1)写出主要实验步骤和需测量的物理量;(2)写出木棒质量的数学表达式(用测量量表示)。
题号:1490648
题型:计算题
难易度:一般
日期:2013-06-17
来源:2013届山东省潍坊市九年级学业水平模拟考试(二模)物理试卷(带解析)
【题文】在图甲所示的电路中,已知电源为电压可调的直流学生电源,灯泡L
1的额定电压为8V,图乙是灯泡L
2的U—I图像。

(1)当开关S接a时,电压表的示数为1.2V,电流表的示数为0.3A,求定值电阻R
0的阻值;
(2)当开关S接a时,调节电源电压,使灯泡L
1正常发光,此时R
0消耗的功率为1W,求灯泡L
1的额定功率;
(3)开关S接b时,通过调节电源电压使灯泡L
1正常发光,求电路消耗的总功率。
题号:1490649
题型:计算题
难易度:一般
日期:2013-06-17
来源:2013届山东省潍坊市九年级学业水平模拟考试(二模)物理试卷(带解析)
【题文】混凝土泵车是一种用于混凝土连续浇筑施工的现代化建筑设备.如图所示.某施工工地使用的小型号泵车部分参数如下表所示,其中“泵送排量”是指一小时运送混凝土浆的体积.该泵车工作时利用活塞将密度为2.5×10
3kg/m
3的混凝土浆先压送到离活塞20m高处,活塞面积为2×10
-2m
2,然后经一段水平管和一股竖直管送到距离地面16m高的楼板上,其示意图如图所示.混凝土浆是流体,其内部的压强与液体内部的压强遵循相同的规律,泵管的粗细、摩擦忽略不计.求:



(1)泵车连续工作1h所输送混凝土浆的质量;
(2)泵车连续工作1h对混凝土浆做功的功率;
(3)在输送混凝土浆过程中,若泵车因故突然停止,此时泵管内混凝土浆对活塞的压强。