适用年级:{{getGradeNameByProperty('初三|中考模拟|安徽|2013年')}} 试卷类型:{{getTestPaperTypeName('初三|中考模拟|安徽|2013年')}} 使用省份:{{getAreaName('初三|中考模拟|安徽|2013年')}}
试卷年份:{{getYear('初三|中考模拟|安徽|2013年')}}上传日期:2013-04-12题数:23
提示:单击题文可显示答案与解析。
题号:1493948
题型:选择题
难易度:一般
日期:2013-04-12
来源:2013届安徽省安庆市十八校九年级3月一模联考物理试卷(带解析)
【题文】如图是某同学钓鱼时被拍的一张照片(O、F
1、F
2是后来标上的),若不计钓鱼杆和线的重力,鱼的重力与F
2大小相等,设动力F
1=80N,估测这次钓起的鱼重可能是:( )

题号:1493949
题型:选择题
难易度:一般
日期:2013-04-12
来源:2013届安徽省安庆市十八校九年级3月一模联考物理试卷(带解析)
【题文】质量为m的物体受到拉力F的作用,在水平地面上向左做匀速直线运动。如图所示为其受到拉力F的示意图,其中可能的是 ( )

| A.只有甲 | B.只有乙、丙 | C.只有甲、丙 | D.甲、乙、丙均有可能 |
题号:1493950
题型:选择题
难易度:较难
日期:2013-04-12
来源:2013届安徽省安庆市十八校九年级3月一模联考物理试卷(带解析)
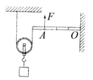
【题文】如图所示,滑轮下挂重400N的物体,滑轮重20N,绳和杠杆都是轻质的,要在图示位置使杠杆平衡,在杠杆的A点所加的竖直方向上的力F应是(杠杆上的标度间距相等)( )

题号:1493951
题型:选择题
难易度:一般
日期:2013-04-12
来源:2013届安徽省安庆市十八校九年级3月一模联考物理试卷(带解析)
【题文】将重为20N的实心金属块挂在弹簧测力计下,金属体积的1/4浸入水中并静止时,弹簧测力计的示数为18N,当金属块全部浸入水中并与杯底接触时,弹簧测力计的示数可能变为( )
题号:1493952
题型:选择题
难易度:一般
日期:2013-04-12
来源:2013届安徽省安庆市十八校九年级3月一模联考物理试卷(带解析)
【题文】下列对生活中物理现象的分析,正确的是( )
| A.体操运动员参加单杠比赛时,先要在手中抹点镁粉,这是为了增大手与单杠之间的摩擦 |
| B.我们称为“孔明灯”的热气球是利用加热的方法使气球内空气密度变小而产生升力使热气球升空的 |
| C.坐在行驶汽车里的乘客突然向后倒,这是因为汽车正在刹车减速 |
| D.旅客必须在安全区域等候上火车,是因为列车经过时,人与列车间空气流速大,压强大、可能发生事故 |
题号:3966684
题型:选择题
难易度:容易
日期:2013-04-12
来源:2013届安徽省安庆市十八校九年级3月一模联考物理试卷(带解析)
【题文】边长是10cm的正方体物体重为25N,沿斜面匀速下滑,已知斜面对物体的支持力是12N,则物体对斜面的压强为__________Pa。
题号:3966685
题型:选择题
难易度:一般
日期:2013-04-17
来源:2013届安徽省安庆市十八校九年级3月一模联考物理试卷(带解析)
【题文】小明同学在学习了运动和力的知识后有了以下的认识,其中正确的是( )
| A.如果两个力的大小相等、方向相同,则这两个力的作用效果一定相同 |
| B.推出去的铅球能继续在空中飞行,是由于铅球受到惯性的作用 |
| C.静止在水平课桌上的饮料瓶一定受到平衡力的作用 |
| D.如果运动的物体不受外力作用,它将慢慢停下来 |
题号:3966686
题型:选择题
难易度:一般
日期:2013-04-15
来源:2013届安徽省安庆市十八校九年级3月一模联考物理试卷(带解析)
【题文】用斜面和滑块做“测物体的平均速度”实验,当滑块自顶端出发时开始计时,滑至斜面底端时停止计时,如图所示。在此过程中,滑块的平均速度是( )

| A.10cm/s | B.9cm/s | C.8cm/s | D.7cm/s |
题号:1493944
题型:实验题
难易度:一般
日期:2013-04-12
来源:2013届安徽省安庆市十八校九年级3月一模联考物理试卷(带解析)
【题文】在研究“压力的作用效果跟什么因素有关”的实验中,某同学做了如图所示的实验。

(1)比较甲、乙两图所示实验,能够得到的结论是
。
(2)若要探究“压力的作用效果与受力面积大小的关系”应通过比较__________两图所示实验得出结论。
题号:1493945
题型:实验题
难易度:一般
日期:2013-04-12
来源:2013届安徽省安庆市十八校九年级3月一模联考物理试卷(带解析)
【题文】在研究摩擦力的实验中,将木块置于水平桌面上,用弹簧测力计沿水平方向拉木块(如图14所示)。木块的运行状态和弹簧测力计的示数如下表所示(每次木块与桌面的接触面相同,对桌面的压力相同)。由表可知,木块受到的滑动摩擦力的大小为__________N:在第一次实验中,木块受到的摩擦力的大小为__________N:在这五次实验中,木块受到的摩擦力大小应该有__________次是相同的。
实验次数
| 木块运动状态
| 测力计示数/N
|
1
| 静止
| 0.5
|
2
| 静止
| 0.6
|
3
| 匀速
| 0.7
|
4
| 加速
| 0.8
|
5
| 减速
| 0
|

题号:1493947
题型:实验题
难易度:较难
日期:2013-04-12
来源:2013届安徽省安庆市十八校九年级3月一模联考物理试卷(带解析)
【题文】有一块火山石可以漂浮在水中,小明用天平、量筒和水等器材测量这块火山石的密度,实验步骤如下:
① 天平测出石块的质量m,天平的示数如图所示;

②向量筒中倒入V
1=60ml的水;
③用细线系住石块,放入量筒,用细铁丝将其压入水中足够长时间,水面到达V
2=65ml处;
④取出石块,水面降到了V
3=58ml处;
⑤小明认为石块体积的测量不够准确,石块的体积应该包含材质和其中空隙部分的体积,于是又向量筒中加水到60ml处,将刚才取出的石块表面吸附的水清除后,再次没入量筒的水中,此时水面到达V
4=66ml处,请解答下面问题:
⑴该实验原理为
(用物理符号表示)。
⑵在步骤④中,水面未回到60ml处的原因是
。
⑶请你根据小明的实验思路,将有关数据及计算结果填入以下表格的空白处。
物理量 实验 次数
| 火山石块的 质量m/g
| V1
| V2
| V3
| V4
| 火山石块的 体积v/cm3
| 火山石块的 密度ρ/gcm-3
|
1
|
| 60
| 65
| 58
| 66
|
|
|
⑷观察表格的设计,请你指出其中存在的两处不足(相同类型的不足点只写一条)。
① ;②
。
题号:1493953
题型:填空题
难易度:一般
日期:2013-04-12
来源:2013届安徽省安庆市十八校九年级3月一模联考物理试卷(带解析)
【题文】用如图所示的滑轮组,匀速水平向左拉重为100N的物体A,所用拉力F为10N(不计滑轮与绳重及滑轮与绳之间的摩擦),则A受到地面对它的摩擦力大小是_________N。

题号:1493954
题型:填空题
难易度:容易
日期:2013-04-12
来源:2013届安徽省安庆市十八校九年级3月一模联考物理试卷(带解析)
【题文】首批“长鼻子”校车将在安庆外国语学校投入使用,如图所示,校车行驶过程中,以司机为参照物,路边的树是________(选填“运动”或“静止”)的。每个座位都有安全带,这是为了防止汽车紧急刹车时,学生由于具有________而造成的伤害。

题号:1493955
题型:填空题
难易度:容易
日期:2013-04-12
来源:2013届安徽省安庆市十八校九年级3月一模联考物理试卷(带解析)
【题文】如图所示是测量大气压值的实验,那么最早测出大气压数值的科学家是__________。图中所测到的当时大气压强是_______mm水银柱所产生的压强。

题号:1493956
题型:填空题
难易度:较易
日期:2013-04-12
来源:2013届安徽省安庆市十八校九年级3月一模联考物理试卷(带解析)
【题文】物理学中常常把实际的研究对象或实际的过程抽象成“物理模型”,例如使用铡刀铡草时,可能把铡刀的形状、材料等,在物理学中把它看成杠杆,这就是铡刀的“物理模型”。现在用一根绳子一端固定,并绕着油桶的另一端用力将油桶沿斜面上拉,如图所示,它的物理模型是__________。

题号:1493957
题型:填空题
难易度:一般
日期:2013-04-12
来源:2013届安徽省安庆市十八校九年级3月一模联考物理试卷(带解析)
【题文】我国首艘“辽宁”号航空母舰现已服役,当航母在平静的水面航行时,它所受的浮力_________它的总重力(选填“大于”“等于”或“小于”)。当航空母舰上舰载飞机起飞后,它排开水的体积__________(选填“增大”“减小”或“不变”)。
题号:1493958
题型:填空题
难易度:一般
日期:2013-04-12
来源:2013届安徽省安庆市十八校九年级3月一模联考物理试卷(带解析)
【题文】有一个小球从足够高的高度由静止开始下落,已知小球在空中下落时所受到的阻力与其速度的平方成正比,则该小球在下落过程中的速度将_________________。(选填:“一直加速”,“一直减速”、“先加速后匀速”或“先加速后减速”。)
题号:1493959
题型:填空题
难易度:容易
日期:2013-04-12
来源:2013届安徽省安庆市十八校九年级3月一模联考物理试卷(带解析)
【题文】物理实验非常重要,实验中仪器的读数是必不可少的。请你读出图1、图2所示的测量工具的示数,并把它们填写在下面的横线上。木块的长度为__________cm;物体的重力为__________N。

图1 图2
题号:1493960
题型:填空题
难易度:容易
日期:2013-04-12
来源:2013届安徽省安庆市十八校九年级3月一模联考物理试卷(带解析)
【题文】我国从2011年12月份开始,发布主要城市空气质量指数中的PM2.5监测数据,PM2.5是指大气中直径小于或等于2.5__________(填长度单位)的颗粒物,也称为可入肺颗粒物。它的直径达不到人的头发丝粗细的1/20,而且富含大量的有毒、有害物质且在大气中的停留时间长、输送距离远,因而对人体健康和大气环境质量的影响更大。一般分子的直径约为3×10-10m,由此可判断PM2.5颗粒__________单个分子。(选填“是”或“不是”)
题号:1493942
题型:计算题
难易度:较难
日期:2013-04-12
来源:2013届安徽省安庆市十八校九年级3月一模联考物理试卷(带解析)
【题文】下图是常见的厕所自动冲水装置原理图,水箱内有质量m
1=0.4kg,体积V
1=3×10
-3m
3的浮筒P,另有一厚度不计,质量m
2=0.2kg,面积S
2=8×10
-3m
2的盖板Q盖在水箱底部的排水管上,用细线将P、Q连接,当供水管上流进水箱的水使浮筒刚好浸没时,盖板Q恰好被拉开,水通过排水管流出冲洗厕所,当盖板Q恰好被拉开的瞬间,求:

(1)浮筒受到的浮力大小。
(2)细线对浮筒P的拉力大小。
(3)水箱中水的深度。
题号:1493943
题型:计算题
难易度:较难
日期:2013-04-12
来源:2013届安徽省安庆市十八校九年级3月一模联考物理试卷(带解析)
【题文】如图所示,一纯水形成的冰块漂浮在浓盐水中,当冰块完全熔化成水后,请你用有关知识证明冰块完全熔化成水后,杯中液面上升。(不考虑水的蒸发、水的密度已知为ρ
水)

题号:3966687
题型:计算题
难易度:一般
日期:2013-04-17
来源:2013届安徽省安庆市十八校九年级3月一模联考物理试卷(带解析)
【题文】某汽车以10 m∕s的速度在水平路面上匀速行驶,每50 km消耗的汽油为4L. 已知汽油的密度为ρ=0.70×103kg/m3。求:
(1)该汽车匀速行驶72km所用的时间是多少小时?
(2)该汽车匀速行驶100km消耗的汽油质量是多少千克?
题号:1493946
题型:作图题
难易度:较易
日期:2013-04-12
来源:2013届安徽省安庆市十八校九年级3月一模联考物理试卷(带解析)
【题文】⑴请画出图12所示中潜水艇加速下沉时所受重力和浮力的示意图。(小黑点O表示潜水艇的重心)(3分)

(2)如图所示曲杆AOBC自重不计,O为支点,AO=60cm,OB=30cm,BC=40cm,要使曲杆在图示位置平衡,请作出最小的力F的示意图示及其力臂。(3分)
