[切换地区]

2011年安徽省中考模拟试题(6)物理卷

适用年级:{{getGradeNameByProperty('初三|中考模拟|安徽|2011年')}} 试卷类型:{{getTestPaperTypeName('初三|中考模拟|安徽|2011年')}} 使用省份:{{getAreaName('初三|中考模拟|安徽|2011年')}}
试卷年份:{{getYear('初三|中考模拟|安徽|2011年')}}上传日期:2011-11-15题数:24
浏览次数:632
提示:单击题文可显示答案与解析。
免费
题号:1517035 题型:选择题 难易度:一般 日期:2011-11-15 来源:2011年安徽省中考模拟试题(6)物理卷
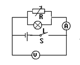
【题文】如图6所示,R是磁敏电阻,它的阻值能随周围磁场的增强而增大,闭合开关S,当磁敏电阻R周围的磁场增强时,(     )
A.电流表示数变小B.电压表示数变小C.灯L变亮D.电路总功率变大

【答案】

【解析】

登录学易云,内容更精彩! 抱歉,未登录用户无法看答案与解析!

立即登录 还不是学易云用户?

题号:1517036 题型:选择题 难易度:一般 日期:2011-11-15 来源:2011年安徽省中考模拟试题(6)物理卷
【题文】如图5所示,一小钢球从光滑固定斜面的A点静止释放,相继经过B、C两点,AB=BC,则下列分析正确的是(忽略空气阻力的影响)

A.小钢球下滑过程中做匀速直线运动B.小钢球在AB、BC两段内运动的平均速度相等
C.小钢球所受重力在AB、BC两段内做功相等
D.就A、B、C三点而言,小钢球在A点具有的机械能最大

【答案】

【解析】

登录学易云,内容更精彩! 抱歉,未登录用户无法看答案与解析!

立即登录 还不是学易云用户?

题号:1517037 题型:选择题 难易度:一般 日期:2011-11-15 来源:2011年安徽省中考模拟试题(6)物理卷
【题文】王兵在“测量石块的密度”的实验时,测出几组数据,根据这些数据绘出图象,能正确表示“密度与质量的关系”的图象是( )
A.B.C.D.

【答案】

【解析】

登录学易云,内容更精彩! 抱歉,未登录用户无法看答案与解析!

立即登录 还不是学易云用户?

题号:1517038 题型:选择题 难易度:较易 日期:2011-11-15 来源:2011年安徽省中考模拟试题(6)物理卷
【题文】下列各物理量的研究中使用相同物理方法的是()
(1)研究压力的作用效果与压力大小、受力面积大小的关系
(2)5欧与10欧的电阻串联在电路中与一个15欧的电阻在同一电路中的效果相同
(3)在研究磁现象时,用磁感线来描述看不见、摸不着的磁场
(4)探究平面镜成像特点时用B蜡烛替代A蜡烛的像
A.(1)与(2)B.(2)与(3)C.(1)与(4)D.(2)与(4)

【答案】

【解析】

登录学易云,内容更精彩! 抱歉,未登录用户无法看答案与解析!

立即登录 还不是学易云用户?

题号:1517039 题型:选择题 难易度:一般 日期:2011-11-15 来源:2011年安徽省中考模拟试题(6)物理卷
【题文】下列关于光现象的说法中,正确的是
A.“坐井观天,所见甚小”是光直线传播的结果
B.验钞机是利用红外线使钞票上的荧光物质发光从而辨别钞票的真伪的
C.光与镜面成30°角射到平面镜上时,其反射角为30°
D.筷子斜插入装满水的碗中,我们可以观察到筷子在水中的部分会向下偏折

【答案】

【解析】

登录学易云,内容更精彩! 抱歉,未登录用户无法看答案与解析!

立即登录 还不是学易云用户?

题号:1517040 题型:选择题 难易度:容易 日期:2011-11-15 来源:2011年安徽省中考模拟试题(6)物理卷
【题文】以下估测与实际情况相符的是( )
A.教室内空气的质量约为100gB.你手中物理试卷的宽度约为26cm
C.一名初中生的体重约为50ND.洗澡水的温度大约为80℃

【答案】

【解析】

登录学易云,内容更精彩! 抱歉,未登录用户无法看答案与解析!

立即登录 还不是学易云用户?

题号:3975417 题型:选择题 难易度:一般 日期:2011-11-15 来源:2011年安徽省中考模拟试题(6)物理卷
【题文】新鲜鸡蛋在水中会下沉,小华向水中加盐并轻轻搅拌,随着盐的溶解,可以看到鸡蛋会上浮,如图4所示,这是因为 (        )
A.鸡蛋的重力减少,重力小于浮力B.鸡蛋的质量减少,浮力增大
C.鸡蛋排开盐水的体积增大,浮力增大D.液体的密度变大,鸡蛋所受的浮力大于重力

【答案】

【解析】

登录学易云,内容更精彩! 抱歉,未登录用户无法看答案与解析!

立即登录 还不是学易云用户?

题号:1517033 题型:实验题 难易度:较易 日期:2011-11-15 来源:2011年安徽省中考模拟试题(6)物理卷
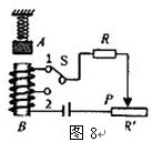
【题文】小平同学利用图所示装置研究电磁铁磁场的强弱与哪些因素有关。图中A是悬挂在弹簧下的铁块,B是电磁铁的铁芯,S是转换开关(S接1时连人电路的线圈匝数多,S接2时连入电路的线匿匝数少)。

(1)实验过程中弹簧的伸长量越大,表示电磁铁的磁场越      ;
(2)保持滑片P位置不变.先后让开关S接l和2,可以研究电磁
铁磁场的强弱与线圈              的多少是否有关;
(3)请提出一个还可以用该装置验证的猜想并设计验证方案。
猜想:电磁铁磁场的强弱还与                          有关;
验证方案                                                                 

【答案】

【解析】

登录学易云,内容更精彩! 抱歉,未登录用户无法看答案与解析!

立即登录 还不是学易云用户?

题号:1517034 题型:实验题 难易度:较难 日期:2011-11-15 来源:2011年安徽省中考模拟试题(6)物理卷
【题文】(6分)学习过“影响摩擦力大小的因素”后,李明同学想验证老师所讲的结论;小华同学发现实验室里有如图所示的铁块和木块。她想比较一下铁块表面和木块表面的粗糙程度,进行了如下实验:
a. 李明同学的实验:
(1)李明同学把长方体木块平放在水平桌面上,为了测出滑动摩擦力的大小,他用弹簧测力计水平桌面上          拉动木块运动.记下此时弹簧测力计的示数为F1。
(2)接着,他在木块上先后增加二个和四个钩码,重复步骤(1),分别读出对应的弹簧测力计示数为F2和F3,发现F3>F2>F1,这说明                                                      。
(3)取下钩码.他又把该木块侧放在水平桌面上.按步骤(1)的方法再次读出弹簧测力计的示数.他这样操作是为了研究                                          。
b.小华同学的实验:
(1)因为要比较两者表面的粗糙程度,所以在同一水平桌面上做实验时,应保持            ___ ______不变。
(2)先将木块叠放在铁块上,用弹簧测力计匀速拉动它们。弹簧测力计的示数如图7所示,则桌面对物体的摩擦力为        N。

(3)然后,把铁块叠放在木块上,重复上述过程,这次测得的摩擦力为2.6N。通过上述实验现象可知:     ________的表面粗糙程度大一些。

【答案】

【解析】

登录学易云,内容更精彩! 抱歉,未登录用户无法看答案与解析!

立即登录 还不是学易云用户?

题号:3975419 题型:实验题 难易度: 日期:2011-11-15 来源:2011年安徽省中考模拟试题(6)物理卷
【题文】小明利用如图9甲所示的电路探究电流跟电阻的关系。已知电源电压为6V且保持不变,实验用到的电阻阻值分别为5Ω、10Ω、15Ω、20Ω、25Ω。

⑴请根据图甲将图乙所示的实物电路连接完整(导线不允许交叉)。
⑵实验中多次改变R的阻值,调节滑动变阻器的滑片,使电压表示数保持不变,记下电流表的示数,得到如图丙所示的电流I随电阻R变化的图像。
①由图像可以得出结论:电压一定时,                                  。
②上述实验中,小明用5Ω的电阻做完实验后,接下来的操作是                                          ,然后将10Ω的电阻接入电路,闭合开关,移动滑片,使电压表示数为       V时,读出电流表的示数。
⑶为完成整个实验,应该选取最大阻值不小于      Ω的滑动变阻器。

【答案】

【解析】

登录学易云,内容更精彩! 抱歉,未登录用户无法看答案与解析!

立即登录 还不是学易云用户?

题号:1517042 题型:填空题 难易度:一般 日期:2011-11-15 来源:2011年安徽省中考模拟试题(6)物理卷
【题文】把标有“36V 15W”的甲灯和标有“36V 5W”的乙灯串联后接在电压是36V的电路中,则此时电路中的电流为     A。(不考虑灯丝电阻变化)

【答案】

【解析】

登录学易云,内容更精彩! 抱歉,未登录用户无法看答案与解析!

立即登录 还不是学易云用户?

题号:1517043 题型:填空题 难易度:较难 日期:2011-11-15 来源:2011年安徽省中考模拟试题(6)物理卷
【题文】如图1所示,在杠杆OA上的B点悬挂一重物G,A端用细绳吊在小圆环E上,且细绳AE长等于圆弧CED的半径,此时杠杆恰好成水平状态,A点与圆弧CED的圆心重合,E环从C点沿顺时针方向逐渐滑到D点的整个过程中,吊绳对A端的作用力的大小      。(填变化情况)

【答案】

【解析】

登录学易云,内容更精彩! 抱歉,未登录用户无法看答案与解析!

立即登录 还不是学易云用户?

题号:1517044 题型:填空题 难易度:较易 日期:2011-11-15 来源:2011年安徽省中考模拟试题(6)物理卷
【题文】科学家在探测深海中的火山时发现,刚喷出的岩浆使周围的海水温度达到几百摄氏度,但海水并不会沸腾,这主要是为                                          

【答案】

【解析】

登录学易云,内容更精彩! 抱歉,未登录用户无法看答案与解析!

立即登录 还不是学易云用户?

题号:1517045 题型:填空题 难易度:较易 日期:2011-11-15 来源:2011年安徽省中考模拟试题(6)物理卷
【题文】师生用来整理仪表仪容的镜属于    镜,近视眼镜的镜片属于       镜.

【答案】

【解析】

登录学易云,内容更精彩! 抱歉,未登录用户无法看答案与解析!

立即登录 还不是学易云用户?

题号:1517046 题型:填空题 难易度:较易 日期:2011-11-15 来源:2011年安徽省中考模拟试题(6)物理卷
【题文】《动物世界》中的虎豹追羚羊,当快追上时,羚羊猛转弯,虎豹却不像羚羊那样灵活地转变,这主要是因为虎豹的        比羚羊大。

【答案】

【解析】

登录学易云,内容更精彩! 抱歉,未登录用户无法看答案与解析!

立即登录 还不是学易云用户?

题号:1517047 题型:填空题 难易度:一般 日期:2011-11-15 来源:2011年安徽省中考模拟试题(6)物理卷
【题文】中国的历史有多长,中国的茶就有我香,茶文化中有许多的物理知识,例如,通过加热使新鲜茶叶中的水分快速        ,这便是制茶业中的“杀青”

【答案】

【解析】

登录学易云,内容更精彩! 抱歉,未登录用户无法看答案与解析!

立即登录 还不是学易云用户?

题号:1517048 题型:填空题 难易度:较易 日期:2011-11-15 来源:2011年安徽省中考模拟试题(6)物理卷
【题文】合肥植物园每年一度的荷花展上,游客们在观赏美景的同时,也会闻到到阵阵花香,说明               

【答案】

【解析】

登录学易云,内容更精彩! 抱歉,未登录用户无法看答案与解析!

立即登录 还不是学易云用户?

题号:1517049 题型:填空题 难易度:容易 日期:2011-11-15 来源:2011年安徽省中考模拟试题(6)物理卷
【题文】、为了既保护鸟类又保证飞机的飞行安全,机场大多采用“鸟击雷达探测系统”探测机场附近鸟情,利用“驱鸟王”播放同类的哀鸣或天敌的叫声,鸟儿根据声音的       选择是否“逃避”。

【答案】

【解析】

登录学易云,内容更精彩! 抱歉,未登录用户无法看答案与解析!

立即登录 还不是学易云用户?

题号:3570094 题型:填空题 难易度:较易 日期:2011-11-15 来源:2011年安徽省中考模拟试题(6)物理卷
【题文】电能是通过输电线输送给用电器的。某直流电路中,输电线的总电阻为0.4欧,提供给用电器的电功率为40kW,电压为800V,电路中的总电流为       A,如果用临界温度以下的超导电缆替代原来的输电线,可实现无损耗输电,在保持供给用电器的功率和电压不变的条件下,节约的电功率是        kW。

【答案】

【解析】

登录学易云,内容更精彩! 抱歉,未登录用户无法看答案与解析!

立即登录 还不是学易云用户?

题号:3975418 题型:填空题 难易度: 日期:2011-11-15 来源:2011年安徽省中考模拟试题(6)物理卷
【题文】我国正在实施登月计划,寂寞的嫦娥很快会得到家乡人民亲切的问候,月球周围没有空气,月球表面附近的物体受到的重力仅是地球上的1/6。如果人们想在月球表面做如下三件事,.在月球表面最容易做到的是_______。(填字母)
a用电风扇吹风      b开露天音乐会       c.用停表测时间

【答案】

【解析】

登录学易云,内容更精彩! 抱歉,未登录用户无法看答案与解析!

立即登录 还不是学易云用户?

题号:1517030 题型:计算题 难易度:较难 日期:2011-11-15 来源:2011年安徽省中考模拟试题(6)物理卷
【题文】物理实验室有一个微型电动机,铭牌上标有“12 V  3W”字样,电动机线圈电阻为1.92Ω。兴趣小组的同学想让这个电动机正常工作,但手边只有一个电压恒为18V的电源,于是他们找来一个阻值合适的电阻R与之串联接入电路如图,使小电动机恰好正常工作。求:(1)所串联的电阻R的阻值
(2)小电动机正常工作时,电阻R消耗的电功率
(3)电动机工作时,主要把电能转化为机械能,还一部分能量在线圈中以热量的形式散失掉。已知电流通过导体时产生的热量Q=I2Rt,求小电动机正常工作时的效率

【答案】

【解析】

登录学易云,内容更精彩! 抱歉,未登录用户无法看答案与解析!

立即登录 还不是学易云用户?

题号:1517031 题型:计算题 难易度:较难 日期:2011-11-15 来源:2011年安徽省中考模拟试题(6)物理卷
【题文】用油罐车运输煤油,油罐的容积为6m3,空油罐车的质量为7200kg,装满煤油后车轮与地面的接触面积为0.2m3。油罐车在水平路面上匀速行驶9000m,发动机牵引力所做的功为1.8×107J,煤油的密度为/m3,试求:
(1)油罐中最多能装多少千克的煤油?
(2)装满煤油的油罐车对地面的压强是多少?
(3)油罐车在水平路面上匀速行驶时,发动机的牵引力是多少?

【答案】

【解析】

登录学易云,内容更精彩! 抱歉,未登录用户无法看答案与解析!

立即登录 还不是学易云用户?

题号:1517032 题型:综合题 难易度:较难 日期:2011-11-15 来源:2011年安徽省中考模拟试题(6)物理卷
【题文】用如图所示的滑轮组提升重物时,动滑轮下面挂着的钩码所受的重力是G,动滑轮的重力为G`,竖直向上拉弹簧测力计,使钩码匀速上升h的高度,在此过程中测力计的示数为F,F作用端移动的距离是s,在用滑轮组提升钩码的过程中,有用功就是直接克服重力把物体提升一定高度所做的功,总功是使用机械时总共所做的功。若不计摩擦,请根据公式:W总功=W有用功+W额外功,推导出:F=(G+G`)/3

【答案】

【解析】

登录学易云,内容更精彩! 抱歉,未登录用户无法看答案与解析!

立即登录 还不是学易云用户?

题号:1517041 题型:作图题 难易度:较易 日期:2011-11-15 来源:2011年安徽省中考模拟试题(6)物理卷
【题文】如图2所示,一小球停靠在光滑水平面上,请作出它的受力示意图。

【答案】

【解析】

登录学易云,内容更精彩! 抱歉,未登录用户无法看答案与解析!

立即登录 还不是学易云用户?