适用年级:{{getGradeNameByProperty('初三|中考模拟|河南|2013年')}} 试卷类型:{{getTestPaperTypeName('初三|中考模拟|河南|2013年')}} 使用省份:{{getAreaName('初三|中考模拟|河南|2013年')}}
试卷年份:{{getYear('初三|中考模拟|河南|2013年')}}上传日期:2013-08-27题数:22
提示:单击题文可显示答案与解析。
题号:1487353
题型:选择题
难易度:较易
日期:2013-08-27
来源:2013届河南省南阳市中考模拟物理试卷(带解析)
【题文】如图是投掷实心球的场景.下列情况中实心球受到平衡力作用的是( )

| A.实心球在空中上升 | B.实心球从空中下落 |
| C.实心球在地上越滚越慢 | D.实心球停在地面上 |
题号:1487354
题型:选择题
难易度:一般
日期:2013-08-27
来源:2013届河南省南阳市中考模拟物理试卷(带解析)
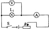
【题文】如图所示的电路,电源电压不变,闭合开关S,将滑动变阻器的滑片P向左移动的过程中,下列说法正确的是(假设灯丝的电阻不变)( )

| A.电压表的示数变小 | B.电流表的示数变小 |
| C.电压表和电流表示数的比值变小 | D.电压表和电流表示数都变大 |
题号:1487355
题型:选择题
难易度:容易
日期:2013-08-27
来源:2013届河南省南阳市中考模拟物理试卷(带解析)
【题文】下列说法正确的是( )
| A.太阳是宇宙的中心 |
| B.太阳活动会对人类的生产生活造成影响 |
| C.太阳系的八大行星都没有卫星 |
| D.太阳是银河系中唯一的恒星 |
题号:1487356
题型:选择题
难易度:较易
日期:2013-08-27
来源:2013届河南省南阳市中考模拟物理试卷(带解析)
【题文】关于声现象,下列说法正确的是( )
| A.声音是由于物体振动产生的 |
| B.声源的振幅越大,音调越高 |
| C.声音在真空中的传播速度是3×108m/s |
| D.超声波的频率很低,所以人耳听不到 |
题号:3760688
题型:选择题
难易度:较易
日期:2013-08-29
来源:2013届河南省南阳市中考模拟物理试卷(带解析)
【题文】下列物态变化中,属于汽化现象的是( )
| A.春天,冰雪消融 | B.夏天,晾在室内的湿衣服变干 |
| C.秋天,早晨草木上露珠的形成 | D.冬天,湖面的水结成冰 |
题号:3760689
题型:选择题
难易度:一般
日期:2013-08-29
来源:2013届河南省南阳市中考模拟物理试卷(带解析)
【题文】将两只额定电压相同的小灯泡L
1、L
2串联在电路中,如图所示.闭合开关后,发现灯L
1较亮,灯L
2较暗,其原因是( )

| A.灯L1额定功率较大 | B.灯L2两端电压较大 |
| C.灯L1的电阻较大 | D.通过灯L1的电流较大 |
题号:3760690
题型:选择题
难易度:较易
日期:2013-08-29
来源:2013届河南省南阳市中考模拟物理试卷(带解析)
【题文】如图所示,是班上几个同学送小明乘火车回家时的情景示意图.当火车徐徐开动时,小明坐在窗边,却看到几个同学渐渐向后退去,那么,小明不可能选择的参照物是( )

题号:3760691
题型:选择题
难易度:较易
日期:2013-08-29
来源:2013届河南省南阳市中考模拟物理试卷(带解析)
【题文】下列所示工具中,使用时不能省力但能省距离的是( )
题号:3760692
题型:选择题
难易度:较易
日期:2013-08-29
来源:2013届河南省南阳市中考模拟物理试卷(带解析)
【题文】如图,点燃的蜡烛放在距小孔a处,它成像在距小孔b的半透明纸上,且a大于b.则半透明纸上的像是( )

| A.倒立、放大的虚像 | B.正立、缩小的虚像 |
| C.倒立、缩小的实像 | D.正立、放大的实像 |
题号:1487345
题型:实验题
难易度:一般
日期:2013-08-27
来源:2013届河南省南阳市中考模拟物理试卷(带解析)
【题文】如图所示是“探究滑动摩擦力的大小与哪些因素有关”的实验.

(1)实验中为了测量滑动摩擦力的大小,应用弹簧测力计沿水平方向
拉动木块;
实验数据如下:
序号
| 接触面
| 压力/N
| 滑动摩擦力/N
|
1
| 木块与木板
| 2.0
| 0.4
|
2
| 木块与木板
| 2.5
| 0.5
|
3
| 木块与砂纸
| 2.0
| 0.6
|
(2)分析
(选填序号)两次实验数据可以得出滑动摩擦力与接触面粗糙程度的关系;
(3)在第一次实验中如果用0.5N的力水平拉动木块,则木块受到的滑动摩擦力为
N.
题号:3760694
题型:实验题
难易度:较易
日期:2013-08-29
来源:2013届河南省南阳市中考模拟物理试卷(带解析)
【题文】在探究“杠杆平衡条件”的实验中:
(1)某同学将杠杆悬挂起来,发现杠杆的右端低,左端高,他应该将杠杆两端的平衡螺母向
调节,使杠杆在
位置平衡.
(2)在杠杆两端挂钩码,不断改变动力或动力臂的大小,调节阻力或阻力臂的大小,使杠杆在原来的位置重新平衡,记录数据如下表:
实验次序
| 动力F1/N
| 动力臂L1/cm
| 阻力F2/N
| 阻力臂L2/cm
|
1
| 2.0
| 5
| 1.0
| 10
|
2
| 2.0
| 10
| 2.0
| 10
|
3
| 3.0
| 10
| 2.0
| 15
|
根据表中的数据你得出杠杆的平衡条件是:
.
(3)根据第2次实验数据有同学得出杠杆的平衡条件是:动力+动力臂=阻力+阻力臂.他得出此错误结论的原因是:
.
题号:3760695
题型:实验题
难易度:较难
日期:2013-08-29
来源:2013届河南省南阳市中考模拟物理试卷(带解析)
【题文】小雷想知道小灯的亮暗程度与什么因素有关.于是找来额定电流均小于0.6A,额定电压是2.5V的灯L
1和额定电压是3.8V的灯L
2,先后接在电源电压恒为6V的电路中,按照如图所示的电路开始探究.

(1)请你用笔画线代替导线,根据上图所示的电路图,将下图所示实物图连接完整.

(2)若小雷连接好电路后闭合开关,灯L
1几乎不发光,移动滑片P也不能改变灯的亮度.原因是他把滑动变阻器的
(选填“A、B”或“C、D”)接线柱接入了电路.
(3)小雷排除故障后,按上图所示的电路继续进行实验:
①闭合开关,滑片P向
(选填“A“或“B“)端移动,使灯L
1发光,测出灯L
1的相关物理量,记录和计算结果如下表:
次数
| 电压/V
|
| 实际功率/W
| 电阻Ω
|
1
| 1.6
| O.20
| O.32
| 8.00
|
2
| 2.5
| O.24
| O.60
| 1O.42
|
3
| 2.8
| O.26
| O.73
| 1O.77
|
②请将记录数据时遗漏的物理量和单位填入表格的空格处.
(4)小雷注意到灯L
1的亮度变化是:第二次比第一次亮,第三次比第二次更亮.结合表中数 据得出的结论是小灯泡越亮,它的实际功率越
.
(5)用L
2替换L
1重复上面的实验时,需要改变
表的量程,发现灯L
2的亮度变化规律与灯L
1相似.
(6)小雷在实验结束后与同学们讨论:
①有同学认为“用上表中灯L
1的3次电阻的平均值代表它的电阻更准确.“这种说法错误的原因是小雷忽略了
对小灯电阻的影响.
②有同学认为“把灯L
1换成定值电阻,该实验可以用来研究导体中的电流与电压的关 系.“你认为这种说法
(选填“正确”或“错误”).
题号:1487348
题型:填空题
难易度:较易
日期:2013-08-27
来源:2013届河南省南阳市中考模拟物理试卷(带解析)
【题文】绵阳夜晚当涪江三桥上的灯光开亮时,涪江水上实景与江中“倒影”交相辉映,形成一幅绚丽多彩的图案.已知三桥下涪江水深为2m,桥上一彩灯距水面12m,则该彩灯的“倒影”距水面 m;若涪江水再上涨0.5m,则该彩灯与其对应“倒影”相距 m.
题号:1487349
题型:填空题
难易度:容易
日期:2013-08-27
来源:2013届河南省南阳市中考模拟物理试卷(带解析)
【题文】在家庭电路中,用试电笔辨别输电线时,能使氖管发光的是 线;为了防止触电,必须把用电器的开关装在 线上.(填“火”、“零”或“地”)
题号:1487350
题型:填空题
难易度:较易
日期:2013-08-27
来源:2013届河南省南阳市中考模拟物理试卷(带解析)
【题文】水的比热容较大,生活中,我们常用水来加热或散热,例如:冬天常用热水袋取暖,把质量为2Kg,温度为90℃的热水装入热水袋中,到温度降为30℃的时侯,这些水放出了 J的热量;如果用相同质量,相同温度的沙来取暖,沙会冷得 (填“快些”或“慢些”).
题号:1487351
题型:填空题
难易度:较易
日期:2013-08-27
来源:2013届河南省南阳市中考模拟物理试卷(带解析)
【题文】高压锅密封性能良好,用它煮食物时,水蒸气不易外泄,从而 了锅内的压强(填“增大”或“减小”),使锅内水的沸点 (填“升高”或“降低”).
题号:3760693
题型:填空题
难易度:较易
日期:2013-09-09
来源:2013届河南省南阳市中考模拟物理试卷(带解析)
【题文】电子式电能表表盘上标有“3200imp/(kw•h)”字样(imp表示闪烁次数).将某用电器单独接在该电能表上正常工作30min,电能表指示灯闪烁了320次,该用电器在上述时间内消耗的电能为 kw•h,该用电器的额定功率是 W.
题号:1487344
题型:计算题
难易度:一般
日期:2013-08-27
来源:2013届河南省南阳市中考模拟物理试卷(带解析)
【题文】如图是家庭、宾馆常用的电热水壶,其中列出了其部分技术参数.

型号
| FY﹣TSl010A
|
额定电压
| 220V
|
频率
| 50Hz
|
额定功率
| 1000W
|
容量
| 1.OL
|
(1)电热水壶正常工作时的电流是多少?
(2)电热水壶正常工作时,用6min就能将整壶水烧开,如果水吸收的热量是3.24×10
5J,则该电热水壶的效率是多少?
(3)有关电热水壶的安全使用,有下列几种说法,其中不正确的是
(填序号).
①电热水壶不用时,应拔下电源插头;
②当壶体和基座被弄脏时,放进清水中清洗;
③电热水壶工作时,身体不可靠近壶嘴;
④注入水时,水位不超过电热水壶的最高水位线.
题号:1487352
题型:计算题
难易度:一般
日期:2013-08-27
来源:2013届河南省南阳市中考模拟物理试卷(带解析)
【题文】小华用如图所示的电路测小灯泡功率.电路中电源电压恒为4.5V,电压表的量程为O~3V,电流表的量程为0~0.6A,滑动变阻器的规格为“20Ω 1A”,灯泡标有“2.5V 1.25W”字样.若闭合开关,两电表的示数均不超过所选量程,灯泡两端电压不允许超过额定值,不考虑灯丝电阻的变化,则下列说法正确的是( )

| A.电流表示数的变化范围是O~0.5A |
| B.滑动变阻器的电阻允许调节的范围是2.5~20Ω |
| C.灯泡的最小功率是0.162W |
| D.该电路的最大功率是2.7W |
题号:3760696
题型:计算题
难易度:一般
日期:2013-08-29
来源:2013届河南省南阳市中考模拟物理试卷(带解析)
【题文】2011年3月11日,日本发生了地震和海啸灾难,致使福岛核电出现核泄漏.为减少放射性污染,电力公司利用“人工浮岛”(一个钢制的空心浮体)储存放射性污水,该浮体是用8×106kg的钢板制成的一个外形长140m,宽50m、高3m的空心长方体.问:
(1)为了不使“人工浮岛”沉入海底,该浮体最多可以储存质量为多少千克的放射性污水?(为了计算方便,海水的密度取1.0×103kg/m3,g=10N/kg)
(2)请你谈谈核能发电与火力发电相比的优点和可能带来的问题.
题号:1487346
题型:作图题
难易度:较易
日期:2013-08-27
来源:2013届河南省南阳市中考模拟物理试卷(带解析)
【题文】画出图中F
1的力臂l
1,并在A点画出阻力F
2的示意图.

题号:1487347
题型:作图题
难易度:较易
日期:2013-08-27
来源:2013届河南省南阳市中考模拟物理试卷(带解析)
【题文】完成图中光路图.
