适用年级:{{getGradeNameByProperty('初三|中考模拟|江苏|2013年')}} 试卷类型:{{getTestPaperTypeName('初三|中考模拟|江苏|2013年')}} 使用省份:{{getAreaName('初三|中考模拟|江苏|2013年')}}
试卷年份:{{getYear('初三|中考模拟|江苏|2013年')}}上传日期:2013-05-21题数:28
提示:单击题文可显示答案与解析。
题号:1490788
题型:选择题
难易度:一般
日期:2013-06-07
来源:2013届江苏省扬州市宝应县九年级中考网上阅卷适应性调研(一模)物理试卷(带解析)
【题文】能源、信息和材料是现代社会发展的三大支柱。关于能源、信息和材料,下列说法错误的是
| A.在倡导“节能环保”“低碳生活”的今天,人类特别重视太阳能的利用 |
| B.超导材料可应用于电饭锅和远距离输电线 |
| C.卫星导航在传递信息过程中主要依靠电磁波 |
| D.光纤具有抗干扰、信号衰减小的特点,适用于远距离、大容量信息传输 |
题号:1490789
题型:选择题
难易度:一般
日期:2013-06-07
来源:2013届江苏省扬州市宝应县九年级中考网上阅卷适应性调研(一模)物理试卷(带解析)
【题文】下列现象与物态变化的对应关系中,正确的是
| A.加在饮料中的冰块逐渐变小——熔化 | B.用久了的灯泡钨丝变细——凝华 |
| C.湿衣服在阳光下变干——升华 | D.水烧开时,壶嘴出现“白气”——汽化 |
题号:1491646
题型:选择题
难易度:一般
日期:2013-05-21
来源:2013届江苏省扬州市宝应县九年级中考网上阅卷适应性调研(一模)物理试卷(带解析)
【题文】关于“8V 4W” 的灯L
1和 “4V 2W”的灯L
2,下列说法中错误的是
| A.L1的电阻大于L2的电阻 |
| B.两灯均正常工作时,L1较亮 |
| C.两灯并联时,两端最大可加8V电压 |
| D.两灯串联在12V电源两端时都正常发光 |
题号:1491650
题型:选择题
难易度:容易
日期:2013-05-21
来源:2013届江苏省扬州市宝应县九年级中考网上阅卷适应性调研(一模)物理试卷(带解析)
【题文】对下列物理量的估测,你认为最接近实际的是
| A.教室中空气的质量约为20Kg |
| B.一个中学生站立时对地面的压强约1.25×104帕 |
| C.家用电视机工作电流约为5A |
| D.中学生正常步行的速度约为5m/s |
题号:3812422
题型:选择题
难易度:较易
日期:2013-05-22
来源:2013届江苏省扬州市宝应县九年级中考网上阅卷适应性调研(一模)物理试卷(带解析)
【题文】如图所示的四种现象中,由光的直线传播形成的是

题号:3812423
题型:选择题
难易度:容易
日期:2013-05-22
来源:2013届江苏省扬州市宝应县九年级中考网上阅卷适应性调研(一模)物理试卷(带解析)
【题文】下列做法中,符合安全用电要求的是
| A.使用测电笔时,手要与笔尾金属体接触 | B.发现有人触电时,立即用手把人拉开 |
| C.开关安装在电灯和零线之间 | D.雷雨天气躲在大树底下避雨 |
题号:3812424
题型:选择题
难易度:较易
日期:2013-05-22
来源:2013届江苏省扬州市宝应县九年级中考网上阅卷适应性调研(一模)物理试卷(带解析)
【题文】如图所示,物理实验中经常需要对物体加热,下列描述中与实际吻合的是
| A.甲图中,加热时磁铁吸引铁钉的数量将增多 |
| B.乙图中,对沸腾的水继续加热,温度计的示数将不断增大 |
| C.丙图中,对电阻丝加热,灯泡将变暗 |
| D.丁图中,用完全相同的装置给初温、质量均相同的水和花生油加热,水的温度升高得快一些 |
题号:3812425
题型:选择题
难易度:较易
日期:2013-07-04
来源:2013届江苏省扬州市宝应县九年级中考网上阅卷适应性调研(一模)物理试卷(带解析)
【题文】2012年11月25日我国自行研制的首型舰载多用途歼-15战斗机,在“辽宁舰”成功进行首次起降飞行训练。歼-15战斗机具有完全的自主知识产权,可遂行制空、制海等作战任务,飞行性能良好,配挂多型精确制导武器,具备远程打击和昼夜间作战能力。关于歼-15战斗机在起降过程中能量变化是

| A.起飞时,势能增加、动能减小,机械能不变 |
| B.降落时,势能减小、动能增加,机械能减小 |
| C.起飞时,势能增加、动能增加、机械能增加 |
| D.降落时,势能减小、动能减小、机械能不变 |
题号:3812426
题型:选择题
难易度:较易
日期:2013-06-05
来源:2013届江苏省扬州市宝应县九年级中考网上阅卷适应性调研(一模)物理试卷(带解析)
【题文】为了探究压强大小跟哪些因素有关,老师准备了如图所示的器材:①用钉子做腿的小桌、②海绵、③砝码、④木板、⑤盛有适量水的矿泉水瓶、⑥装有沙的容器等供同学们选择.同学们所选的四组器材中,不能达到探究目的的是

题号:3812427
题型:选择题
难易度:一般
日期:2013-05-22
来源:2013届江苏省扬州市宝应县九年级中考网上阅卷适应性调研(一模)物理试卷(带解析)
【题文】如图甲所示,小明用弹簧测力计拉木块,使它沿水平木板匀速滑动,图乙是他两次拉动同一木块得到的距离随时间变化的图像。下列说法正确的是

| A.木块第1次受到的拉力较大 | B.木块两次受到的拉力和摩擦力均相等 |
| C.木块两次的动能一样多 | D.两次拉力对木块做功的功率一样大 |
题号:3812428
题型:选择题
难易度:一般
日期:2013-05-22
来源:2013届江苏省扬州市宝应县九年级中考网上阅卷适应性调研(一模)物理试卷(带解析)
【题文】如图甲所示的热熔胶枪是一种装修工具,用于材料涂胶。它的内部有2只相同的PTC(是一种新型的半导体材料)加热元件,其工作电路如图乙所示,扣动扳机能使固体胶条向前挤压,联动开关S同时掷向
A、
B,枪口冒出胶液,松开扳机,联动开关S同时掷向
B、
C。单只PTC元件的电阻随温度的变化如图丙所示。关于PTC元件的工作情况,下列说法中正确的是

| A.扣动扳机,两只PTC元件串联在电路中 |
| B.松开扳机,当温度为180℃时,电路中的总电阻为1210Ω |
| C.松开扳机,当温度为80℃时,电路消耗的电功率为55W |
| D.扣动扳机,当温度为180℃时,1min电路消耗的电能为4800J |
题号:1491636
题型:实验题
难易度:一般
日期:2013-05-21
来源:2013届江苏省扬州市宝应县九年级中考网上阅卷适应性调研(一模)物理试卷(带解析)
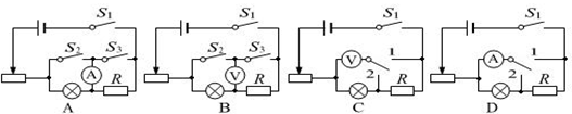
【题文】某实验小组的同学用“伏安法”测量小灯泡电功率,待测小灯泡额定电压为3.8V ,小灯泡的额定功率估计在1 W 左右。

(1)请用笔画线代替导线,完成图乙中实物电路的连接,连线时导线不能交叉。(2分)
(2)检查电路连接无误,闭合开关后,灯泡不亮,电压表有示数且接近电源电压,电流表指针几乎不动,产生这一现象的原因可能是
。
(3)故障排除后,移动滑动变阻器的滑片,当电压表的示数为
V时,小灯泡正常发光时,电流表示数如图甲所示,则灯泡的额定功率为
W。
(4)另一组的同学连接好最后一根导线,灯泡立即发出明亮耀眼的光并很快熄灭。检查后发现连线正确,请你找出实验中两个操作不当之处:
①
;
②
。
(5)小组的其他同学设计了下列四个电路图,图中的电源电压
U保持不变,小灯泡的额定电压为
U0,且
U>
U0,定值电阻的阻值为
R.在不改变电路连接的情况下,也能测出小灯泡额定功率的是( )(2分)

题号:1491637
题型:实验题
难易度:一般
日期:2013-05-21
来源:2013届江苏省扬州市宝应县九年级中考网上阅卷适应性调研(一模)物理试卷(带解析)
【题文】小月同学们想测量家中热水瓶中软木塞的密度,于是切下一块干软木,进行了实验,实验步骤如下:
①调节天平横梁平衡;
②用天平测出软木块的质量m,示数如图甲所示;
③在量筒中装入适量的水,如图乙所示
④读出水的体积V
1;
⑤用细线系住软木块和铁块,将铁块浸没在水中,如图丙,读出水和铁块的总体积V
2;
⑥将软木块和铁块同时浸没在水中,如图丁所示,读出水、铁块和软木块的总体积V
3.

请回答以下问题:
(1)根据上述实验步骤可知:软木块的质量为
g,软木块的体积为

,软木块的密度为
kg/m
3。
(2)小红同学发现在上述步骤中,有一个步骤是多余的,这个步骤是________(填序号).
(3)同学们经过评估交流后,发现干软木具有吸水性,则所测密度应_______ (大于/小于)实际密度.
(4)对具有吸水性物质的体积测量提出一种改进方法。
。
题号:1491638
题型:实验题
难易度:较易
日期:2013-05-21
来源:2013届江苏省扬州市宝应县九年级中考网上阅卷适应性调研(一模)物理试卷(带解析)
【题文】下图是三种仪器的测量情形。请你读数(3分)


(1)图甲中物体的长度为_________cm;
(2)图乙中体温计的示数为__________℃;
(3)图丙电能表的示数为_________KW·h;
题号:3812434
题型:实验题
难易度:一般
日期:2013-08-16
来源:2013届江苏省扬州市宝应县九年级中考网上阅卷适应性调研(一模)物理试卷(带解析)
【题文】在“探究凸透镜成像规律”的实验中,蜡烛、凸透镜、光屏在光具座上的位置如图所示。

(1)其中明显还需要调整的是
。调整后恰好能从光屏上观察到倒立、
(选填
“缩小”或“放大”的实像,该成像特点可作为
的原理(选填“照相机”或“投影仪”)。
(2)此时,小明拿来一只眼镜放在蜡烛和凸透镜之间,且较靠近凸透镜。结果,光屏上原来清晰的像变模糊了,他只将光屏向远离凸透镜的方向移动适当距离时,又在光屏上观察到蜡烛清晰的像。由此可见,这只眼镜是
(填“凸”或“凹”)透镜,戴这种眼镜人的眼睛的缺陷是
(选填“近视”或“远视”)。
题号:3812435
题型:实验题
难易度:一般
日期:2013-05-22
来源:2013届江苏省扬州市宝应县九年级中考网上阅卷适应性调研(一模)物理试卷(带解析)
【题文】小明在测量滑轮组机械效率的实验中,所用装置如图所示,实验中每个钩码重2N,测得的数据如下表:
物理量 实验次数
| 钩码总重G/N
| 钩码上升的高度h/m
| 测力计数F/N
| 测力计移动距离s/ m
| 机械效率h
|
1
| 4
| 0.1
| 1.8
| 0.3
|
|
2
| 6
| 0.1
| 2.4
| 0.3
| 83%
|
3
| 4
| 0.1
| 1.4
| 0.5
| 57%
|
4
| 4
| 0.2
| 1.4
| 1.0
| 57%
|
(1)在实验中,测绳端拉力F 时,应尽量竖直向上______拉动弹簧测力计且在拉动过程中读数。

(2)第1次实验测得的机械效率为______。(结果保留整数)
(3)分析表中数据可知:第2次实验是用______图做的。(选填“a”、“b”或“c”)
(4)分析第1、2次实验数据可知:使用同一滑轮组,______可以提高滑轮组的机械效率;分析第1、3次实验数据可知:使用不同的滑轮组,提升相同的重物,动滑轮个数越多(即动滑轮总重越重),滑轮组的机械效率______。(选填变大、变小或不变)
(5)分析第3、4次实验数据可知,滑轮组的机械效率与物体被提升的高度______。(选填“有关”或“无关”)
题号:1491641
题型:填空题
难易度:一般
日期:2013-05-21
来源:2013届江苏省扬州市宝应县九年级中考网上阅卷适应性调研(一模)物理试卷(带解析)
【题文】在物理学中,磁场的强度用磁感应强度B(单位是T) 表示.B越大,磁场越强;B=0,表示没有磁场.如果电阻大小随磁场的强弱变化而变化,则这种电阻叫磁敏电阻.某磁敏电阻
RB在室温下的阻值与外加磁场B大小间的对应关系如表所示。
外加磁场B/T
| 0
| 0.04
| 0.08
| 0.12
| 0.16
| 0.20
|
磁敏电阻RB/Ω
| 150
| 170
| 200
| 230
| 260
| 300
|
把
RB接入如图甲所示电路(电源电压恒为6V,滑动变阻器R’上标有“100 1A”字样),并在室温下进行实验。


(1)由上表可知,磁敏电阻的阻值随磁感应强度B的增大而
。
(2)将磁敏电阻
RB置于乙图磁场中,当其由位置“2”移到位置“1”时,电路中的电流
(填“变大”、“变小”或“不变”);为了使电压表的示数保持不变,滑动变阻器
R’的滑片P应向
(填“a”或“b”)端移动;
(3)当磁敏电阻
RB处于磁场位置“1”,滑动变阻器
R’滑片
P位于
b端时,电压表的示数为4V,则位置“1”处的磁感应强度为
T。
题号:1491642
题型:填空题
难易度:较易
日期:2013-05-21
来源:2013届江苏省扬州市宝应县九年级中考网上阅卷适应性调研(一模)物理试卷(带解析)
【题文】将弹簧测力计右端固定,左端与木块相连,木块放在上表面水平的小车上,弹簧测力计保持水平,现拉动小车沿水平面向左运动,稳定时弹簧测力计的示数如图所示.则木块所受摩擦力的方向是
;大小为
N。

题号:1491643
题型:填空题
难易度:较易
日期:2013-05-21
来源:2013届江苏省扬州市宝应县九年级中考网上阅卷适应性调研(一模)物理试卷(带解析)
【题文】人类正面临能源危机,为选用节能交通信号灯的灯源,实验室通过实验发现,下表中LED灯和白炽灯在正常工作时光照强度相同。有关数据如下表:
两种灯
| LED灯
| 白炽灯
|
发光原理
| 二极管发光
| 钨丝高温发光
|
额定电压
| 24伏
| 220伏
|
响应时间
| 10-9秒
| 10-3秒
|
额定功率
| 12瓦
| 100瓦
|
(1)请根据以上材料说明使用LED灯的一个优点:
;
(2)LED灯与白炽灯各一盏都正常工作1h,一个月按30天计算可节约电能
kwh。
题号:1491644
题型:填空题
难易度:一般
日期:2013-05-21
来源:2013届江苏省扬州市宝应县九年级中考网上阅卷适应性调研(一模)物理试卷(带解析)
【题文】如图所示,小华将一支质量为140g、体积为1.8×10
-4m
3的牙膏,用手将其浸没在水中时,牙膏受到的浮力为
N,松手后牙膏将
(选填“上浮”、“下沉”或“悬浮”),待其静止后,杯底受到水的压强将
。(选填“不变”、“增大”或“减小”)

(
g取10N/kg)
题号:1491645
题型:填空题
难易度:较易
日期:2013-05-21
来源:2013届江苏省扬州市宝应县九年级中考网上阅卷适应性调研(一模)物理试卷(带解析)
【题文】生活处处有物理。以汽车为例:(1)发动机采用以水为主要成分的冷却液来降温,这是因为水的
较大;(2)车内放入某种清香剂,很快就会闻到它的气味,这是因为
;(3)大型汽车有许多车轮、且车轮较宽,这是为了减小对路面的
;(4)汽车轮胎的外表面有凸凹不平的花纹,这是为了
;(5)快速行驶的汽车,刹车后由于具有
,还会继续向前运动一段距离;(6)有些小汽车的尾部设计有“导流板”(形状是上平下凸,如图),高速行驶时,气流对导流板上表面的压强
对导流板下表面的压强(选填“大于”、“等于”或“小于”),从而使汽车的行驶更加平稳。

题号:3812429
题型:填空题
难易度:较易
日期:2013-05-22
来源:2013届江苏省扬州市宝应县九年级中考网上阅卷适应性调研(一模)物理试卷(带解析)
【题文】2012年6月16日我国“神舟九号”飞船成功发射,先后与“天宫一号”进行了两次交会对接任务,实现了神九与天宫的手控交会对接。这意味着中国完整掌握空间交会对接技术,具备了建设空间站的基本能力。如图,它们成功对接后,若以_______为参照物,飞船是静止的;当组合体一起匀速绕行时,它们的运动状态
(有/没有)改变;当它穿越大气层返回地面时,飞船表面温度升高,这是通过_______方式使其内能增加。

题号:3812430
题型:填空题
难易度:较易
日期:2013-05-22
来源:2013届江苏省扬州市宝应县九年级中考网上阅卷适应性调研(一模)物理试卷(带解析)
【题文】如图是某同学常温下在教室内用甲乙装置分别探究“冰和蜡烛熔化的特点”的实验。甲装置缺少酒精灯加热是_________(选填“可行”或“不可行”)的;采用乙装置加热方式的优点是_________;实验中,热只能自发的由酒精灯的火焰传递给水,却不会反过来传递,说明能量的转移具有
性。

题号:3812431
题型:填空题
难易度:较易
日期:2013-05-21
来源:2013届江苏省扬州市宝应县九年级中考网上阅卷适应性调研(一模)物理试卷(带解析)
【题文】小强用10N的水平推力匀速推小车,30s内在水平地面上前进了15m,在此过程中小强对小车做的功为 J,功率为 W。
题号:3812432
题型:填空题
难易度:一般
日期:2013-06-17
来源:2013届江苏省扬州市宝应县九年级中考网上阅卷适应性调研(一模)物理试卷(带解析)
【题文】如图甲的电路中,电源电压保持不变,闭合开关后,滑片P由b端滑到a端,电压表示数U与电流表示数I的变化关系如图乙,当滑片P置于b端时,变阻器消耗的功率为_________W。通过探究(如采用计算特殊值进行比较等方法)可以得出:当滑片P由b端滑到a端的过程中,变阻器所消耗功率的变化规律是___________(逐渐增大/逐渐减小/先增大,后减小)。

题号:1491639
题型:计算题
难易度:一般
日期:2013-05-21
来源:2013届江苏省扬州市宝应县九年级中考网上阅卷适应性调研(一模)物理试卷(带解析)
【题文】我校物理课外兴趣小组同学为发展可再生绿色能源。小明等几位同学对风力的研究产生了浓厚的兴趣,共同设计了“风力测试仪”,其原理如图所示,已知电源电压12V恒定, OB长为10cm,AB长为20cm、阻值为60Ω的均匀电阻丝。OP为质量、电阻均不计的金属细杆,下端连接一个重为4N的圆球P。金属细杆OP始终与电阻丝AB接触良好且无摩擦。闭合开关S,无风时,OP下垂并与电阻丝的B端接触,此时电流表的示数为0.15A;有风时,圆球P受风力作用,使金属细杆OP绕悬挂点O偏转。,请你解答下列问题:

⑴定值电阻R
0为多少Ω?
⑵若金属细杆OP绕悬挂点O偏转到距离电阻丝的B端16cm处,此时电路消耗的总功率是多少?
⑶当金属细杆OP滑到A点时圆球P受的风力是多大?
题号:1491640
题型:计算题
难易度:一般
日期:2013-05-21
来源:2013届江苏省扬州市宝应县九年级中考网上阅卷适应性调研(一模)物理试卷(带解析)
【题文】我国自行研发的纯电动中巴车的质量约为2000kg,静止时轮胎与路面接触的总
面积约0.2m2,以30m/s的速度沿水平路面匀速行驶时的输出功率约72kW。(g=10N/kg)。求:⑴中巴车所受的重力是多少?
⑵静止时中巴车对路面的压强有多大?
⑶以30m/s匀速行驶时,所受阻力是多少?
⑷中巴车改用汽油作动力,以72kW的输出功率行驶1h,至少要燃烧多少L的汽油?(汽油的热值为3.6×107J/L)
题号:3812433
题型:作图题
难易度:较易
日期:2013-05-22
来源:2013届江苏省扬州市宝应县九年级中考网上阅卷适应性调研(一模)物理试卷(带解析)
【题文】按照题目要求作图

(1)根据凹透镜对光的作用,完成图甲所示的光路。
(2)在图乙中,画出人对杠杆作用力F的力臂(L)、物体A所受重力(G)的示意图。
(3)在图丙中根据小磁针的方向,标出通电螺线管的N极、并在括号中填上电源的“+”“-”极。